DEHNgap
:quality(98)/www.dehn.nl/store/f/62258694/HDVORSCHAU/961101a1_16-9.jpg)
:quality(98)/www.dehn.nl/store/f/62258694/HDVORSCHAU/961101a1_16-9.jpg)
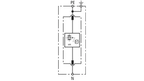
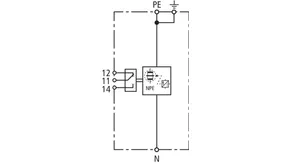
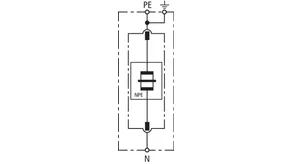
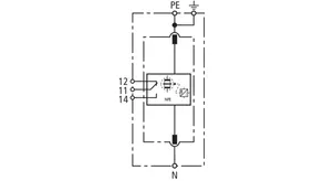
- Discharge capacity up to 100 kA (10/350 µs)
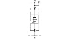
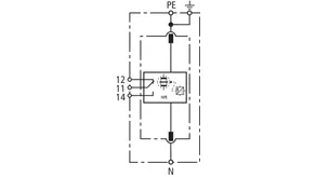
- Total current arrester specifically designed for installation in 3+1 and 1+1 configurations of TT systems according to IEC 60364-5-53 between neutral conductor N and protective conductor PE
- Creepage discharge spark gap technology
- Operating state / fault indication by green / red indicator flag in the inspection window
Details
:quality(98)/www.dehn.nl/store/f/62258695/HDVORSCHAU/900050a2_Kat.jpg)
:quality(98)/www.dehn.nl/store/f/62258695/HDVORSCHAU/900050a2_Kat.jpg)
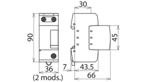
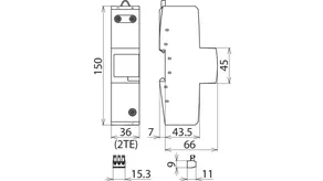
Part No. 961101 DGP M 255
GTIN 4013364118676, Customs tariff No. (EU): 85363030, Gross weight: 331.00 g, PU: 1.00 pc(s)
PredecessorTechnical data
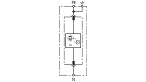
SPD according to EN 61643-11 / IEC 61643-11 | type 1 / class I |
Max. continuous operating voltage (a.c.) (UC ) | 255 V (50 / 60 Hz) |
Lightning impulse current (10/350 µs) (Iimp ) | 100 kA |
Voltage protection level (UP ) | ≤ 1.5 kV |
Approvals | VDE, KEMA, UL |
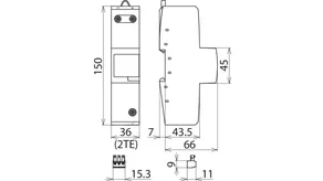
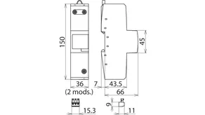
Part No. 961105 DGP M 255 FM
GTIN 4013364118683, Customs tariff No. (EU): 85363030, Gross weight: 336.00 g, PU: 1.00 pc(s)
PredecessorTechnical data
SPD according to EN 61643-11 / IEC 61643-11 | type 1 / class I |
Max. continuous operating voltage (a.c.) (UC ) | 255 V (50 / 60 Hz) |
Lightning impulse current (10/350 µs) (Iimp ) | 100 kA |
Voltage protection level (UP ) | ≤ 1.5 kV |
Approvals | VDE, KEMA, UL |
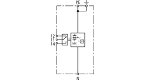
Type of remote signalling contact | changeover contact |
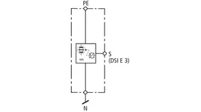
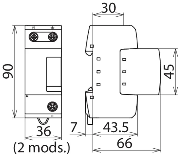
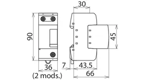
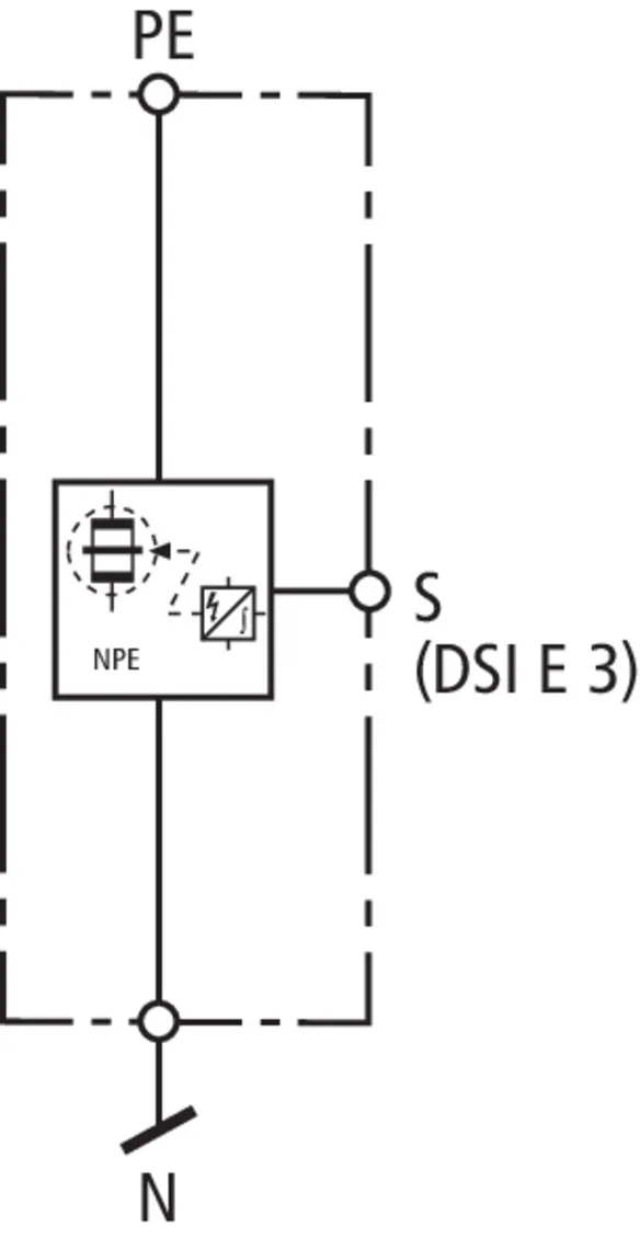
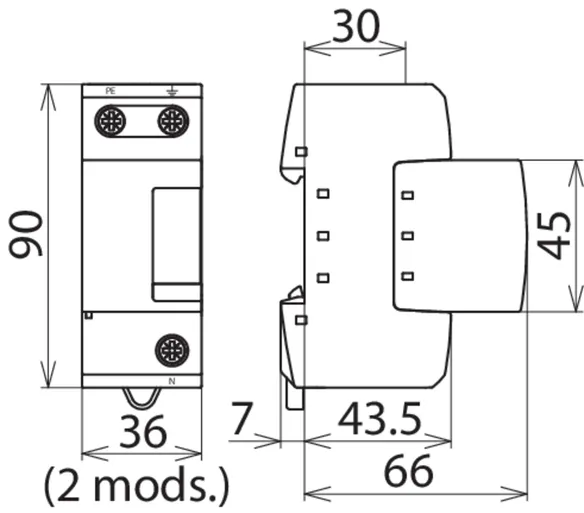
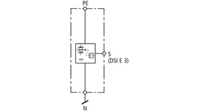
Part No. 900050 DGPM 1 255 S
GTIN 4013364107496, Customs tariff No. (EU): 85363090, Gross weight: 539.00 g, PU: 1.00 pc(s)
Technical data
SPD according to EN 61643-11 / IEC 61643-11 | type 1 / class I |
Max. continuous operating voltage (a.c.) (UC ) | 255 V (50 / 60 Hz) |
Lightning impulse current (10/350 µs) (Iimp ) | 100 kA |
Voltage protection level (UP ) | ≤ 2.5 kV (including 80 cm connecting cable) |
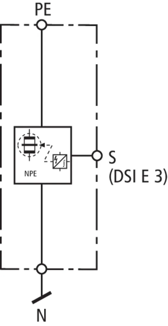
Operating state monitoring | via DEHNsignal DSI E 3 |
Part No. 961180 DGPM 1 255
GTIN 4013364157323, Customs tariff No. (EU): 85363090, Gross weight: 460.00 g, PU: 1.00 pc(s)
Technical data
SPD according to EN 61643-11 / IEC 61643-11 | type 1 + type 2 / class I + class II |
Max. continuous operating voltage (a.c.) (UC ) | 255 V (50 / 60 Hz) |
Lightning impulse current (10/350 µs) (Iimp ) | 100 kA |
Voltage protection level (UP ) | ≤ 1.5 kV |
Approvals | KEMA |
Part No. 961185 DGPM 1 255 FM
GTIN 4013364157330, Customs tariff No. (EU): 85363090, Gross weight: 460.00 g, PU: 1.00 pc(s)
Technical data
SPD according to EN 61643-11 / IEC 61643-11 | type 1 + type 2 / class I + class II |
Max. continuous operating voltage (a.c.) (UC ) | 255 V (50 / 60 Hz) |
Lightning impulse current (10/350 µs) (Iimp ) | 100 kA |
Voltage protection level (UP ) | ≤ 1.5 kV |
Approvals | KEMA |
Type of remote signalling contact | changeover contact |
Part No. 961160 DGPM 440
GTIN 4013364116290, Customs tariff No. (EU): 85363030, Gross weight: 415.00 g, PU: 1.00 pc(s)
Technical data
SPD according to EN 61643-11 / IEC 61643-11 | type 1 / class I |
Max. continuous operating voltage (a.c.) (UC ) | 440 V (50 / 60 Hz) |
Lightning impulse current (10/350 µs) (Iimp ) | 100 kA |
Voltage protection level (UP ) | ≤ 2.5 kV |
Approvals | UL |
Part No. 961165 DGPM 440 FM
GTIN 4013364116306, Customs tariff No. (EU): 85363030, Gross weight: 418.00 g, PU: 1.00 pc(s)
Technical data
SPD according to EN 61643-11 / IEC 61643-11 | type 1 / class I |
Max. continuous operating voltage (a.c.) (UC ) | 440 V (50 / 60 Hz) |
Lightning impulse current (10/350 µs) (Iimp ) | 100 kA |
Voltage protection level (UP ) | ≤ 2.5 kV |
Approvals | UL |
Type of remote signalling contact | changeover contact |
Part No. 961102 DGPH M 255
GTIN 4013364118690, Customs tariff No. (EU): 85363030, Gross weight: 300.00 g, PU: 1.00 pc(s)
PredecessorTechnical data
SPD according to EN 61643-11 / IEC 61643-11 | type 1 / class I |
Max. continuous operating voltage (a.c.) (UC ) | 255 V (50 / 60 Hz) |
Lightning impulse current (10/350 µs) (Iimp ) | 100 kA |
Voltage protection level (UP ) | ≤ 4 kV |