Tripod for Supporting Tubes without Side Outlet

Stands for holding HVI supporting tubes for internally/externally routed HVI Conductors in/on the supporting tube, with double clamp for connection of 2x Rd 8–10 mm. Adjustable to the roof slope up to max. 10° using a variable fixing on the base holder.

The stackable concrete bases, the plastic base plates and the base holder set for holding additional concrete bases are each available separately in the accessories.

Note: Please contact us here at DEHN to find out whether the material of the roof conductor holders and plastic base plates is compatible with the roof elements.

Tripod small

1 Product

Part No. 107390 DBS KB D50 RA680 V2A

GTIN 4013364478466, Customs tariff No. (EU): 85389099, Gross weight: 7.75 kg, PU: 1.00 pc(s)

Predecessor

Images

Additional information

Tripod, small, StSt (hinged design)
Tripod (hinged design) for supporting tubes
D 50 mm with side outlet or air-termination rod
D 40 mm with reduction accessories
With double clamp for the connection 2x Rd 8–10 mm
For erection with concrete bases (weight 17 kg)
Compensation for the roof slope angle up to max. 10°
Stackable concrete base (part no. 102 010)
Plastic base plate (part no. 102 050)
Base holder set (part no. 107 396)
Reduction accessories (part no. 107 399)
must be ordered separately.
Tripods are dimensioned in
line with Eurocode 1 (DIN EN 1991-1-4 + DIN
EN 1991-1-4/NA).
Material of tripod: StSt
Support: 50 and 40*) mm
Radius: 680 mm
Space required for tripod: 1175 x 1020 mm

Brand: DEHN
Type: DBS KB D50 RA680 V2A
Part No.: 107390
or equivalent.

Certificates

 

Technical data

Material of tripod StSt
Support 50 and 40*) mm
Radius 680 mm
Space required for tripod 1175 x 1020 mm
*) Only with adapter set part no. 107 399.

Product 107390 was added to Notepad.

Product 107390 was added to the cart.


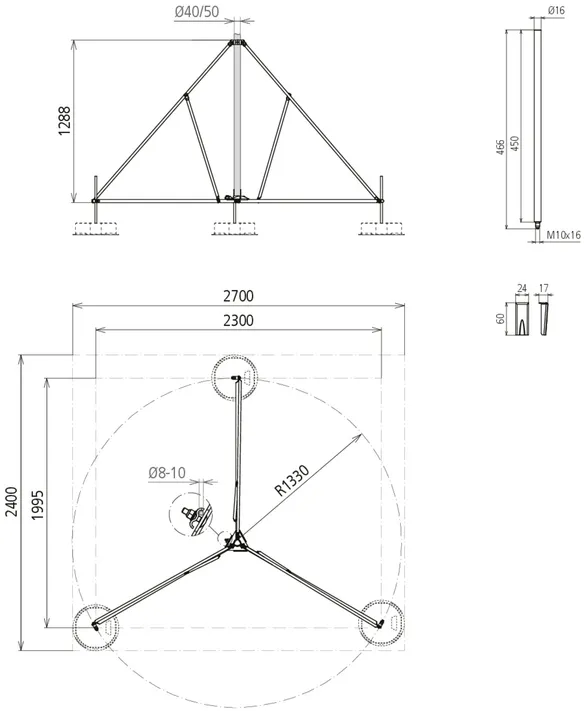
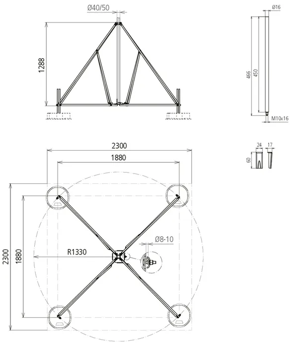
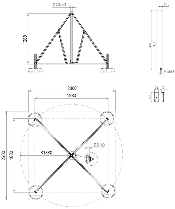
Tripod large

1 Product

Part No. 107391 DBS KB D50 RA1330 V2A

GTIN 4013364478473, Customs tariff No. (EU): 85389099, Gross weight: 15.60 kg, PU: 1.00 pc(s)

Predecessor

Images

Additional information

Tripod, large, StSt (hinged design)
Tripod (hinged design) for supporting tubes
D50 mm with side outlet and double clamp for
the connection 2x Rd 8–10 mm, for erection with
concrete base (weight 17 kg) with adjustment to the roof slope to a max. of 10° using
the base holder set.
Stackable concrete base (part no. 102 010)
Plastic base plate (part no. 102 050)
Base holder set (part no. 107 396)
Reduction accessories (part no. 107 399)
must be ordered separately.
Tripods are dimensioned in
line with Eurocode 1 (DIN EN 1991-1-4 + DIN
EN 1991-1-4/NA).
Material of tripod: StSt
Support: 50 and 40*) mm
Radius: 1330 mm
Space required for tripod: 2300 x 1995 mm

Brand: DEHN
Type: DBS KB D50 RA1330 V2A
Part No.: 107391
or equivalent.

 

Technical data

Material of tripod StSt
Support 50 and 40*) mm
Radius 1330 mm
Space required for tripod 2300 x 1995 mm
*) Only with adapter set part no. 107 399.

Product 107391 was added to Notepad.

Product 107391 was added to the cart.


Four-legged stand, small

1 Product

Part No. 107490 VBS KB D50 RA680 V2A

GTIN 4013364478480, Customs tariff No. (EU): 85389099, Gross weight: 10.38 kg, PU: 1.00 pc(s)


Images

Additional information

Four-legged stand, small, StSt (hinged design)
Four-legged stand (hinged design) for supporting tubes
D 50 mm with side outlet or air-termination rod
D 40 mm with reduction accessories
With double clamp for the connection 2x Rd 8–10 mm
For erection with concrete bases (weight 17 kg)
Compensation for the roof slope angle up to max. 10°
Stackable concrete base (part no. 102 010)
Plastic base plate (part no. 102 050)
Base holder set (part no. 107 396)
Reduction accessories (part no. 107 399)
must be ordered separately.
Four-legged stands are dimensioned in
line with Eurocode 1 (DIN EN 1991-1-4 + DIN
EN 1991-1-4/NA).
Material of tripod: StSt
Support: 50 and 40*) mm
Radius: 680 mm
Space required for tripod: 960 x 960 mm

Brand: DEHN
Type: VBS KB D50 RA680 V2A
Part No.: 107490
or equivalent.

Certificates

 

Technical data

Material of tripod StSt
Support 50 and 40*) mm
Radius 680 mm
Space required for tripod 960 x 960 mm
*) Only with adapter set part no. 107 399.

Product 107490 was added to Notepad.

Product 107490 was added to the cart.


Four-legged stand, large

1 Product

Part No. 107491 VBS KB D50 RA1330 V2A

GTIN 4013364478497, Customs tariff No. (EU): 85389099, Gross weight: 17.63 kg, PU: 1.00 pc(s)


Images

Additional information

Four-legged stand, large, StSt, (hinged design)
Four-legged stand (hinged design) for supporting tubes
D 50 mm with side outlet or air-termination rod
D 40 mm with reduction accessories
With double clamp for the connection 2x Rd 8–10 mm
For erection with concrete bases (weight 17 kg)
Compensation for the roof slope angle up to max. 10°
Stackable concrete base (part no. 102 010)
Plastic base plate (part no. 102 050)
Base holder set (part no. 107 396)
Reduction accessories (part no. 107 399)
must be ordered separately.
Four-legged stands are dimensioned in
line with Eurocode 1 (DIN EN 1991-1-4 + DIN
EN 1991-1-4/NA).
Material of tripod: StSt
Support: 50 and 40*) mm
Radius: 1330 mm
Space required for tripod: 1880 x 1880 mm

Brand: DEHN
Type: VBS KB D50 RA1330 V2A
Part No.: 107491
or equivalent.

 

Technical data

Material of tripod StSt
Support 50 and 40*) mm
Radius 1330 mm
Space required for tripod 1880 x 1880 mm
*) Only with adapter set part no. 107 399.

Product 107491 was added to Notepad.

Product 107491 was added to the cart.


Tripod, small, HDG steel

Suitable for the inner routing of the HVI Conductor.

2 Products

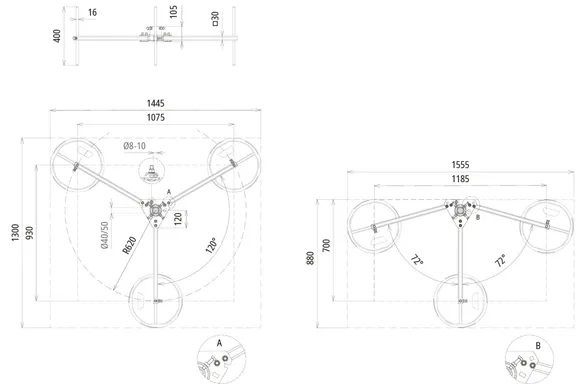
Part No. 105351 DBS KB D40.50 RA620 STTZN

GTIN 4013364238916, Customs tariff No. (EU): 85389099, Gross weight: 11.50 kg, PU: 1.00 pc(s)


Images

Additional information

Tripod for HVI Conductors, small, St/tZn
Tripod for HVI Conductors installed inside the supporting tube
Special type for supporting tubes (length of 3200 mm).
In order to keep within the bending radius of the HVI Conductor at the bottom of the tripod,
put 2 concrete bases under and one on top of the brace.
Adjustable to roof inclinations up to max. 10° without additional fixing on structural elements.
The stackable concrete base (Part No. 102 010) and the base plate (Part No. 102 050) have to be ordered separately.
Tripods are dimensioned according to Eurocode 1 (DIN EN 1991-1-4 + DIN EN 1991-1-4/NA).
Material of tripod: St/tZn
Support: 40 / 50 mm
Radius: 620 mm
Number of concrete bases: 3-12 blocks, 17 kg each
Space required for tripod: 1300 x 1450 mm

Brand: DEHN
Type: DBS KB D40.50 RA620 STTZN
Part No.: 105351
or equivalent.

Certificates

 

Technical data

Material of tripod St/tZn
Support 40 / 50 mm
Radius 620 mm
Number of concrete bases 3-12 blocks, 17 kg each
Space required for tripod 1300 x 1450 mm

Product 105351 was added to Notepad.

Product 105351 was added to the cart.

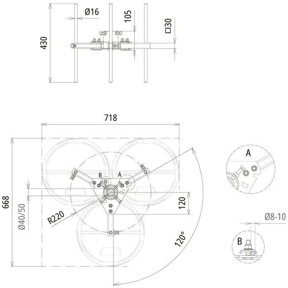
Part No. 105357 DBS KB D40.50 RA220 STTZN

GTIN 4013364527829, Customs tariff No. (EU): 85389099, Gross weight: 8.04 kg, PU: 1.00 pc(s)


Images

Additional information

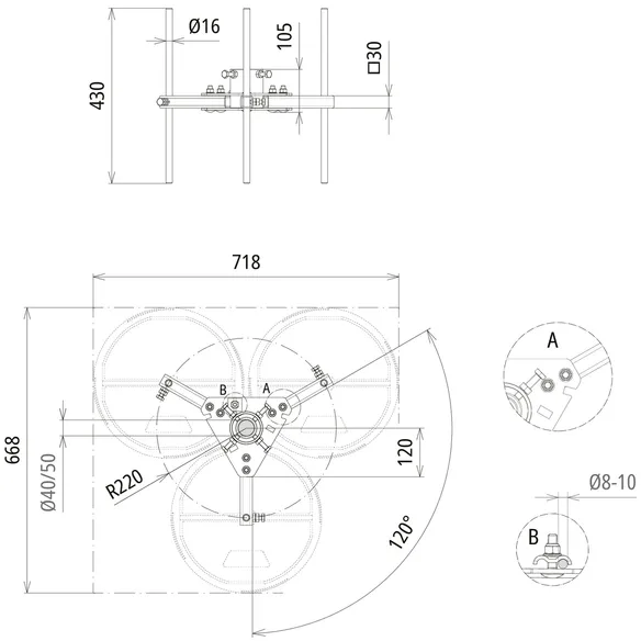
Space-saving tripod, height-adjustable and hinged
for supporting air-termination rods and supporting tubes
Ø40 mm and Ø50 mm
Compensation for roof pitches of up to 10° possible
holding of up to four concrete bases
per leg possible
Material of tripod: St/tZn
Support: 40 / 50 mm
Radius: 220 mm
Number of concrete bases: 3-12 blocks, 17 kg each
Space required for tripod: 668 x 718 mm

Brand: DEHN
Type: DBS KB D40.50 RA220 STTZN
Part No.: 105357
or equivalent.

 

Technical data

Material of tripod St/tZn
Support 40 / 50 mm
Radius 220 mm
Number of concrete bases 3-12 blocks, 17 kg each
Space required for tripod 668 x 718 mm

Product 105357 was added to Notepad.

Product 105357 was added to the cart.


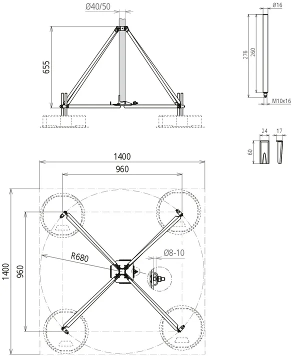
Tripod, large, HDG steel

Suitable for the outer routing of the HVI Conductor.

1 Product

Part No. 105201 DBS KB D40.50 RA1435 STTZN

GTIN 4013364095915, Customs tariff No. (EU): 85389099, Gross weight: 17.23 kg, PU: 1.00 pc(s)


Images

Additional information

Tripod for HVI Conductors, St/tZn
Tripod for HVI Conductors installed inside the supporting tube
Special type for supporting tubes (length of 4700 mm).
In order to keep within the bending radius of the HVI Conductor at the bottom of the tripod,
2 concrete bases are installed below and one above the legs.
Adjustable to roof inclinations up to max. 10° without additional fixing on structural elements.
The stackable concrete base (Part No. 102 010) and the base plate (Part No. 102 050) have to be ordered separately.
Tripods are dimensioned according to Eurocode 1 (DIN EN 1991-1-4 + DIN EN 1991-1-4/NA).
Material of tripod: St/tZn
Support: 40 / 50 mm
Radius: 1435 mm
Number of concrete bases: 3-12 blocks 17 kg each
Space required for tripod: 2520 x 2860 mm

Brand: DEHN
Type: DBS KB D40.50 RA1435 STTZN
Part No.: 105201
or equivalent.

Certificates

 

Technical data

Material of tripod St/tZn
Support 40 / 50 mm
Radius 1435 mm
Number of concrete bases 3-12 blocks 17 kg each
Space required for tripod 2520 x 2860 mm

Product 105201 was added to Notepad.

Product 105201 was added to the cart.


back to top