Clamping Piece

For connecting flat material to structural parts or, for example, connection clamps for steel girders (without a hole in the flat strip).

2 Products

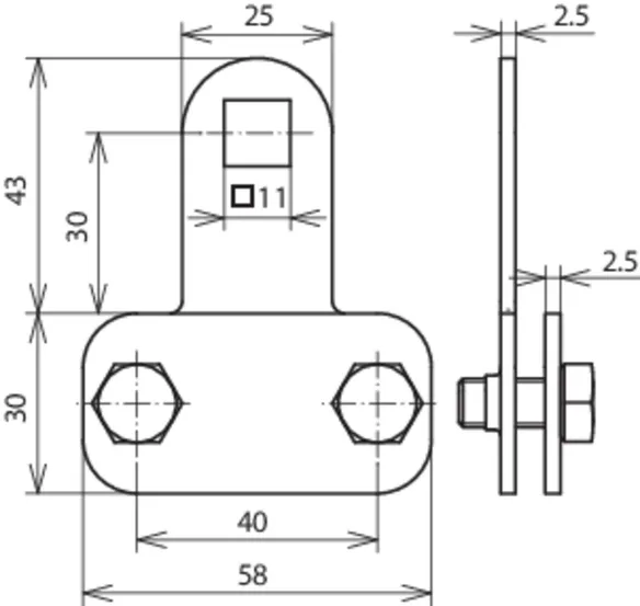
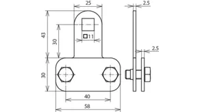
Part No. 380129 KS B11.11 FL30X4 V2A

GTIN 4013364150416, Customs tariff No. (EU): 85359000, Gross weight: 102.00 g, PU: 50.00 pc(s)


Images

Additional information

Clamping piece for connecting flat material, StSt
Clamping piece for connecting flat material
to structural components or e.g. connection clamps
for steel girders (without a borehole in the flat strip).
Clamping range Fl: up to 30 x 4 mm
Material: StSt
Type of connection: Releasable connection
Fixing: square hole 11 x 11 mm
Screw: M8 x 16 mm
Material of screw: StSt
Lightning current carrying capability (10/350 µs): *)
Standard: EN 62561-1

Brand: DEHN
Type: KS B11.11 FL30X4 V2A
Part No.: 380129
or equivalent.

Certificates

 

Technical data

Clamping range Fl up to 30 x 4 mm
Material StSt
Type of connection Releasable connection
Fixing square hole 11 x 11 mm
Screw di M8 x 16 mm
Material of screw StSt
Lightning current carrying capability (10/350 µs) = *)
Standard EN 62561-1
*) For exact assignment see test certificate.

Product 380129 was added to Notepad.

Product 380129 was added to the cart.

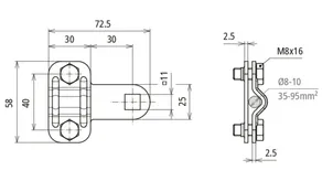
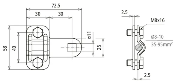
Part No. 380130 KS B11.11 8.10 V2A

GTIN 4013364512481, Customs tariff No. (EU): 85359000, Gross weight: 110.00 g, PU: 50.00 pc(s)


Images

Additional information

Clamping piece for connecting round and flat material, StSt
Clamping piece for connecting
round and flat material to
structural components or
E.g. connection clamps for
steel girders
(without drill hole in the flat strip)
Clamping range Rd: 8-10 mm
Cable clamping range: 35-95 mm2
Material: StSt
Type of connection: Releasable connection
Fixing: square hole 11 x 11 mm
Screw: M8 x 16 mm
Material of screw: StSt
Lightning current carrying capability (10/350 µs): *)
Standard: EN 62561-1

Brand: DEHN
Type: KS B11.11 8.10 V2A
Part No.: 380130
or equivalent.

Certificates

 

Technical data

Clamping range Rd 8-10 mm
Cable clamping range 35-95 mm2
Material StSt
Type of connection Releasable connection
Fixing square hole 11 x 11 mm
Screw di M8 x 16 mm
Material of screw StSt
Lightning current carrying capability (10/350 µs) = *)
Standard EN 62561-1
*) For exact assignment see test certificate.

Product 380130 was added to Notepad.

Product 380130 was added to the cart.


back to top