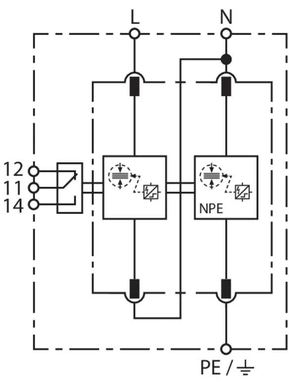
DEHNventil modular

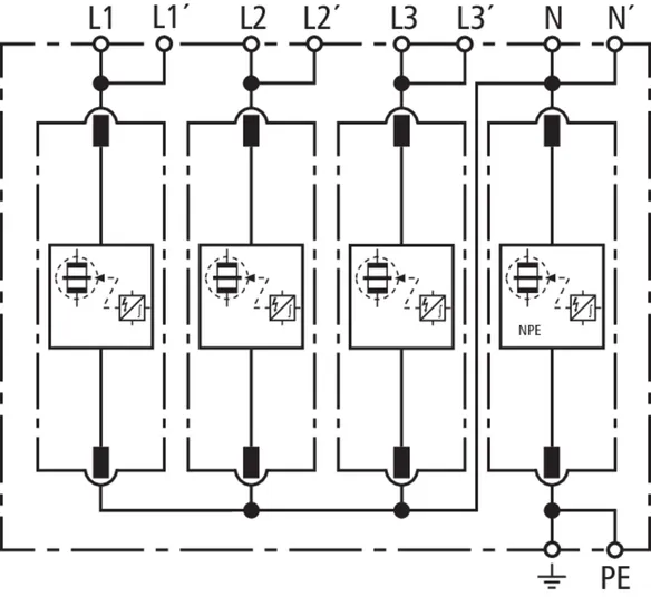
  • Prewired spark-gap-based type 1 and type 2 and type 3 combined lightning current and surge arrester consisting of a base part and a single plug-in protection module
  • RAC spark gap technology that is powerful yet gentle on terminal devices
  • No tripping of 20 A gG fuses up to short-circuit currents of 50 kA rms
  • Discharge capacity up to 100 kA (10/350 µs)
  • Capable of protecting terminal equipment
  • Operating state / fault indication by green / red indicator flag in the inspection window and monitoring of all modes of protection
  • Easy replacement of protection modules without tools due to module locking system with module release buttons

Details

lorem ipsum


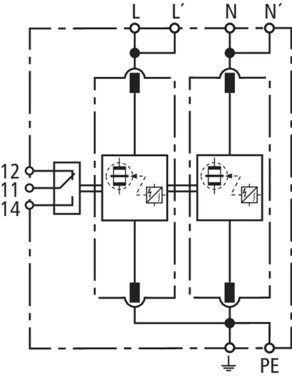
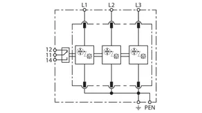
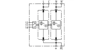
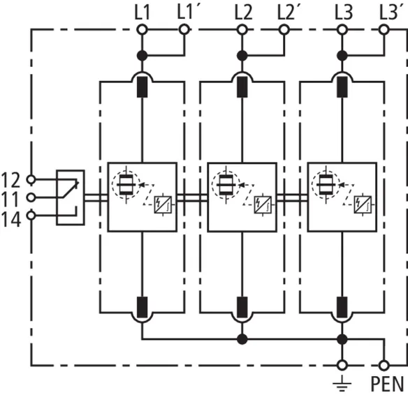
DEHNventil M2 TNC FM

Modular combined arrester for TN-C systems.

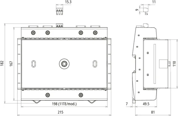
1 Product

Part No. 956305 DV M2 TNC 255 FM

GTIN 4013364510586, Customs tariff No. (EU): 85363090, Gross weight: 519.19 g, PU: 1.00 pc(s)

Predecessor

Images

Additional information

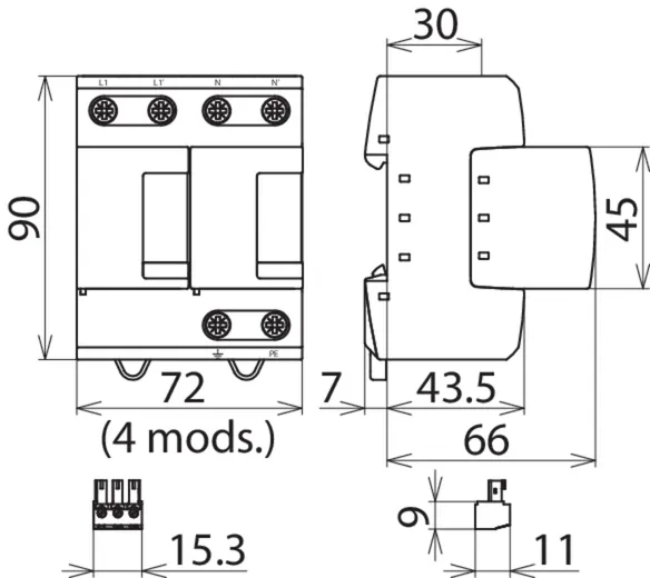
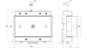
Modular combined arrester DEHNventil M2 TNC 255 FM
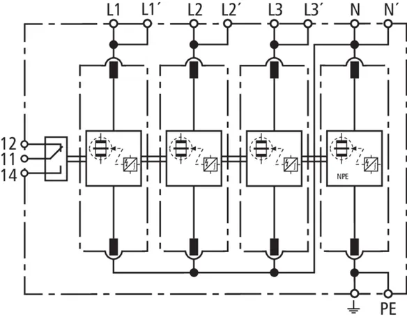
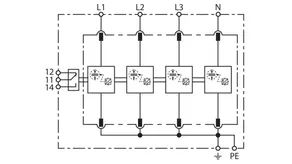
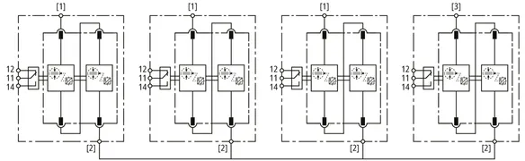
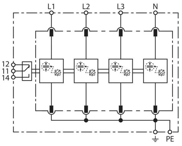
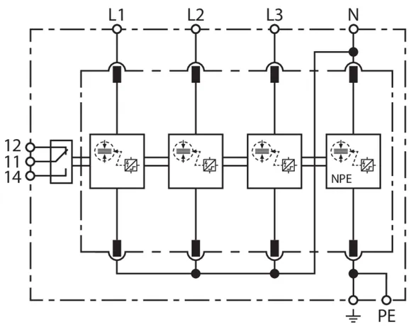
Three-pole, modular, pluggable combined arrester for
230/400 V- TN-C systems, 4-module width
with remote signalling contact
Type 1 + type 2 + type 3 arrester as per EN 61643-11
RAC spark gap technology
for follow current limitation
Max. continuous operating voltage: 255 V AC
Voltage protection level: <= 1.5 kV
Lightning impulse current (10/350): 75 kA
Follow current extinguishing capability up to 100 kArms.
Certified to VDE, KEMA
Energy coordination as per DIN CLC/TS 61643-12
Arresters of the Red/Line series, and direct to terminal equipment

Brand: DEHN
Type: DV M2 TNC 255 FM
Part No.: 956305
or equivalent.

Certificates

 

Technical data

SPD according to EN 61643-11 / IEC 61643-11 type 1 + type 2 + type 3 / class I + class II + class III
Lightning impulse current (10/350 µs) [L1+L2+L3-PEN] (Itotal ) 75 kA
Lightning impulse current (10/350 µs) [L-PEN] (Iimp ) 25 kA
Voltage protection level (UP ) ≤ 1.5 kV
Max. backup fuse (L) up to IK = 50 kArms 250 A gG
Approvals VDE, KEMA, UL
Type of remote signalling contact yes / changeover contact
Extended technical data: Use in switchgear installations with prospective short-circuit currents of more than 50 kArms
– Max. prospective short-circuit current 100 kArms (220 kApeak)

Product 956305 was added to Notepad.

Product 956305 was added to the cart.


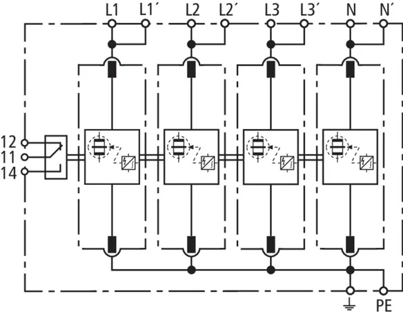
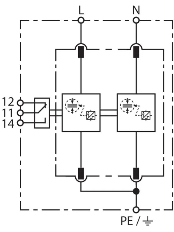
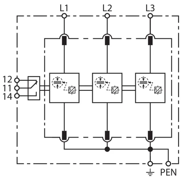
DEHNventil M2 TNS FM

Modular combined arrester for TN-S systems.

1 Product

Part No. 956405 DV M2 TNS 255 FM

GTIN 4013364510562, Customs tariff No. (EU): 85363090, Gross weight: 583.68 g, PU: 1.00 pc(s)

Predecessor

Images

Additional information

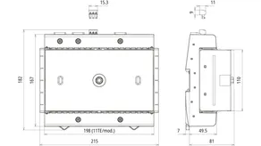
Modular combined arrester DEHNventil M2 TNS 255 FM
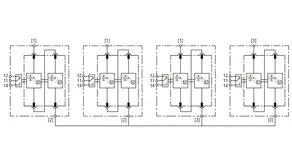
Four-pole, modular, pluggable combined arrester for
230/400 V- TN(C)-S systems, 4-module width
with remote signalling contact
Type 1 + type 2 + type 3 arrester as per EN 61643-11
RAC spark gap technology
for follow current limitation
Max. continuous operating voltage: 255 V AC
Voltage protection level: <= 1.5 kV
Lightning impulse current (10/350): 100 kA
Follow current extinguishing capability up to 100 kArms.
Certified to VDE, KEMA
Energy coordination as per DIN CLC/TS 61643-12
Arresters of the Red/Line series, and direct to terminal equipment

Brand: DEHN
Type: DV M2 TNS 255 FM
Part No.: 956405
or equivalent.

Certificates

 

Technical data

SPD according to EN 61643-11 / IEC 61643-11 type 1 + type 2 + type 3 / class I + class II + class III
Lightning impulse current (10/350 µs) [L1+L2+L3+N-PE] (Itotal ) 100 kA
Lightning impulse current (10/350 µs) [L, N-PE] (Iimp ) 25 kA
Voltage protection level [L-PE]/[N-PE] (UP ) ≤ 1.5 / ≤ 1.5 kV
Max. backup fuse (L) up to IK = 50 kArms 250 A gG
Approvals VDE, KEMA, UL
Type of remote signalling contact yes / changeover contact
Extended technical data: Use in switchgear installations with prospective short-circuit currents of more than 50 kArms
– Max. prospective short-circuit current 100 kArms (220 kApeak)

Product 956405 was added to Notepad.

Product 956405 was added to the cart.


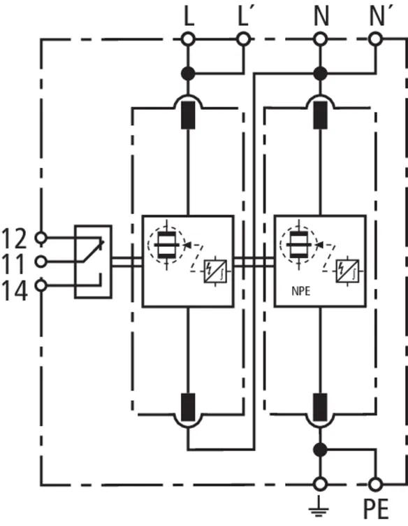
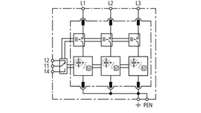
DEHNventil M2 TT FM

Modular combined lightning current and surge arrester for TT and TN-S systems (3+1 configuration).

1 Product

Part No. 956315 DV M2 TT 255 FM

GTIN 4013364528963, Customs tariff No. (EU): 85363090, Gross weight: 616.00 g, PU: 1.00 pc(s)


Images

Additional information

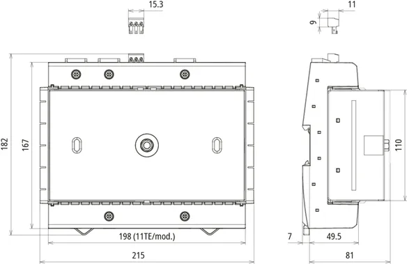
Modular combined arrester DEHNventil M2 TT 255 FM
Four-pole, modular, pluggable combined arrester for
230/400 V TT and TN(C)-S systems, 4-module width
with remote signalling contact
Type 1 + type 2 + type 3 arrester as per EN 61643-11
RAC spark gap technology
for follow current limitation
Max. continuous operating voltage: 255 V AC
Voltage protection level: <= 1.5 kV
Lightning impulse current (10/350): 100 kA
Follow current extinguishing capability up to 100 kArms.
Certified to VDE, KEMA
Energy coordination as per DIN CLC/TS 61643-12
Arresters of the Red/Line series, and direct to terminal equipment

Brand: DEHN
Type: DV M2 TT 255 FM
Part No.: 956315
or equivalent.

Certificates

 

Technical data

SPD according to EN 61643-11 / IEC 61643-11 type 1 + type 2 + type 3 / class I + class II + class III
Lightning impulse current (10/350 µs) [L1+L2+L3+N-PE] (Itotal ) 100 kA
Lightning impulse current (10/350 µs) [L-N]/[N-PE] (Iimp ) 25 / 100 kA
Voltage protection level [L-N]/[N-PE] (UP ) ≤ 1.5 / ≤ 1.5 kV
Max. backup fuse (L) up to IK = 50 kArms 250 A gG
Approvals VDE, KEMA, UL
Type of remote signalling contact yes / changeover contact
Extended technical data: Use in switchgear installations with prospective short-circuit currents of more than 50 kArms
– Max. prospective short-circuit current 100 kArms (220 kApeak)
Supplementary data: ---------------------------------
– Voltage protection level [L-PE] (UP ) 1.8 kV

Product 956315 was added to Notepad.

Product 956315 was added to the cart.


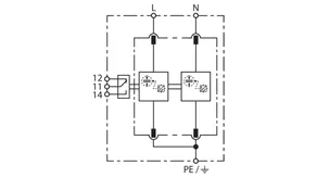
DEHNventil M2 TN FM

Modular combined arrester for single-phase TN systems.

1 Product

Part No. 956205 DV M2 TN 255 FM

GTIN 4013364510579, Customs tariff No. (EU): 85363090, Gross weight: 311.29 g, PU: 1.00 pc(s)

Predecessor

Images

Additional information

Modular combined arrester DEHNventil M2 TN 255 FM
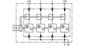
Two-pole, modular, pluggable combined arrester for
single-phase TN systems, 2-module width
with remote signalling contact
Type 1 + type 2 + type 3 arrester as per EN 61643-11
RAC spark gap technology
for follow current limitation
Max. continuous operating voltage: 255 V AC
Voltage protection level: <= 1.5 kV
Lightning impulse current (10/350): 50 kA
Follow current extinguishing capability up to 100 kArms.
Certified to VDE, KEMA
Energy coordination as per DIN CLC/TS 61643-12
Arresters of the Red/Line series, and direct to terminal equipment

Brand: DEHN
Type: DV M2 TN 255 FM
Part No.: 956205
or equivalent.

Certificates

 

Technical data

SPD according to EN 61643-11 / IEC 61643-11 type 1 + type 2 + type 3 / class I + class II + class III
Lightning impulse current (10/350 µs) [L+N-PE] (Itotal ) 50 kA
Lightning impulse current (10/350 µs) [L, N-PE] (Iimp ) 25 kA
Voltage protection level [L-PE]/[N-PE] (UP ) ≤ 1.5 / ≤ 1.5 kV
Max. backup fuse (L) up to IK = 50 kArms 250 A gG
Approvals VDE, KEMA, UL
Type of remote signalling contact yes / changeover contact
Extended technical data: Use in switchgear installations with prospective short-circuit currents of more than 50 kArms
– Max. prospective short-circuit current 100 kArms (220 kApeak)

Product 956205 was added to Notepad.

Product 956205 was added to the cart.


DEHNventil M2 TT 2P FM

Modular combined lightning current and surge arrester for single-phase TT and TN systems (1+1 configuration).

1 Product

Part No. 956115 DV M2 TT 2P 255 FM

GTIN 4013364546929, Customs tariff No. (EU): 85363090, Gross weight: 327.00 g, PU: 1.00 pc(s)


Images

Additional information

Modular combined arrester DEHNventil M2 TT 2P 255 FM
Two-pole, modular, pluggable combined arrester for
single-phase TT and TN systems, 2-module width
with remote signalling contact
Type 1 + type 2 + type 3 arrester as per EN 61643-11
RAC spark gap technology
for follow current limitation
Max. continuous operating voltage: 255 V AC
Voltage protection level: <= 1.5 kV
Lightning impulse current (10/350): 50 kA
Follow current extinguishing capability up to 100 kArms.
Certified to VDE, KEMA
Energy coordination as per DIN CLC/TS 61643-12
Arresters of the Red/Line series, and direct to terminal equipment

Brand: DEHN
Type: DV M2 TT 2P 255 FM
Part No.: 956115
or equivalent.

Certificates

 

Technical data

SPD according to EN 61643-11 / IEC 61643-11 type 1 + type 2 + type 3 / class I + class II + class III
Lightning impulse current (10/350 µs) [L+N-PE] (Itotal ) 50 kA
Lightning impulse current (10/350 µs) [L-N]/[N-PE] (Iimp ) 25 / 50 kA
Voltage protection level [L-N]/[N-PE] (UP ) ≤ 1.5 / ≤ 1.5 kV
Max. backup fuse (L) up to IK = 50 kArms 250 A gG
Approvals VDE, KEMA, UL
Type of remote signalling contact yes / changeover contact
Extended technical data: Use in switchgear installations with prospective short-circuit currents of more than 50 kArms
– Max. prospective short-circuit current 100 kArms (220 kApeak)
Supplementary data: ---------------------------------
– Voltage protection level [L-PE] (UP ) 1.8 kV

Product 956115 was added to Notepad.

Product 956115 was added to the cart.


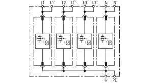
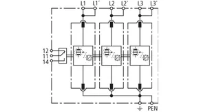
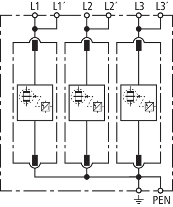
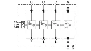
DEHNventil M TNC (FM)

Modular combined lightning current and surge arrester for TN-C systems with a nominal voltage of 230 / 400 V (3+0 configuration); FM version with floating remote signalling contact.

2 Products

Part No. 951300 DV M TNC 255

GTIN 4013364108134, Customs tariff No. (EU): 85363090, Gross weight: 1004.00 g, PU: 1.00 pc(s)

Predecessor

Images

Additional information

Modular DEHNventil M TNC 255 combined arrester
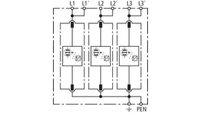
Modular and pluggable three-pole combined arrester for
230/400 V TN-C systems, width: 6 modules
Type 1 + type 2 according to EN 61643-11
RADAX Flow spark gap technology
for follow current limitation
Max. continuous operating voltage: 264 a.c.
Voltage protection level: <= 1.5 kV
Lightning impulse current (10/350): 75 kA
Follow current extinguishing capability: up to 100 kArms
Energy-coordinated according to IEC 62305-4
with arresters of the Red/Line series and terminal equipment

Brand: DEHN
Type: DV M TNC 255
Part No.: 951300
or equivalent.

Certificates

 

Technical data

SPD according to EN 61643-11 / IEC 61643-11 type 1 + type 2 / class I + class II
Lightning impulse current (10/350 µs) [L1+L2+L3-PEN] (Itotal ) 75 kA
Lightning impulse current (10/350 µs) [L-PEN] (Iimp ) 25 kA
Voltage protection level (UP ) ≤ 1.5 kV
Max. backup fuse (L) up to IK = 50 kArms 315 A gG
Approvals KEMA, VDE, UL
Extended technical data: Use in switchgear installations with prospective short-circuit currents of more than 50 kArms
– Max. prospective short-circuit current 100 kArms (220 kApeak)

Product 951300 was added to Notepad.

Product 951300 was added to the cart.

Part No. 951305 DV M TNC 255 FM

GTIN 4013364108141, Customs tariff No. (EU): 85363090, Gross weight: 1020.00 g, PU: 1.00 pc(s)

Predecessor

Images

Additional information

Modular DEHNventil M TNC 255 FM combined arrester
Pluggable and modular three-pole combined arrester
for use in 230/400 V TN-C systems, width: 6 mod.
with remote signalling contact
Type 1 + type 2 SPD according to EN 61643-11
RADAX Flow spark gap technology
for follow current limitation
Max. continuous operating voltage: 264 V a.c.
Voltage protection level: <= 1.5 kV
Lightning impulse current (10/350 µs): 75 kA
Follow current extinguishing capability: up to 100 kArms
Energy-coordinated according to IEC 62305-4 with
arresters of the Red/Line series and terminal equipment

Brand: DEHN
Type: DV M TNC 255 FM
Part No.: 951305
or equivalent.

Certificates

 

Technical data

SPD according to EN 61643-11 / IEC 61643-11 type 1 + type 2 / class I + class II
Lightning impulse current (10/350 µs) [L1+L2+L3-PEN] (Itotal ) 75 kA
Lightning impulse current (10/350 µs) [L-PEN] (Iimp ) 25 kA
Voltage protection level (UP ) ≤ 1.5 kV
Max. backup fuse (L) up to IK = 50 kArms 315 A gG
Approvals KEMA, VDE, UL
Type of remote signalling contact changeover contact
Extended technical data: Use in switchgear installations with prospective short-circuit currents of more than 50 kArms
– Max. prospective short-circuit current 100 kArms (220 kApeak)

Product 951305 was added to Notepad.

Product 951305 was added to the cart.


DEHNventil M TNS (FM)

Modular combined lightning current and surge arrester for TN-S systems with a nominal voltage of 230 / 400 V (4+0 configuration); FM version with floating remote signalling contact.

2 Products

Part No. 951400 DV M TNS 255

GTIN 4013364108158, Customs tariff No. (EU): 85363090, Gross weight: 1.40 kg, PU: 1.00 pc(s)

Predecessor

Images

Additional information

Modular DEHNventil M TNS 255 combined arrester
Pluggable and modular four-pole combined arrester
for use in 230/400 V TN(C)-S systems, width: 8 mod.
Type 1 + type 2 SPD according to EN 61643-11
RADAX Flow spark gap technology
for follow current limitation
Max. continuous operating voltage: 264 V a.c.
Voltage protection level: <= 1.5 kV
Lightning impulse current (10/350 µs): 100 kA
Follow current extinguishing capability: up to 100 kArms
Energy-coordinated according to IEC 62305-4 with
arresters of the Red/Line series and terminal equipment

Brand: DEHN
Type: DV M TNS 255
Part No.: 951400
or equivalent.

Certificates

 

Technical data

SPD according to EN 61643-11 / IEC 61643-11 type 1 + type 2 / class I + class II
Lightning impulse current (10/350 µs) [L1+L2+L3+N-PE] (Itotal ) 100 kA
Lightning impulse current (10/350 µs) [L, N-PE] (Iimp ) 25 kA
Voltage protection level [L-PE]/[N-PE] (UP ) ≤ 1.5 / ≤ 1.5 kV
Max. backup fuse (L) up to IK = 50 kArms 315 A gG
Approvals KEMA, VDE, UL
Extended technical data: Use in switchgear installations with prospective short-circuit currents of more than 50 kArms
– Max. prospective short-circuit current 100 kArms (220 kApeak)

Product 951400 was added to Notepad.

Product 951400 was added to the cart.

Part No. 951405 DV M TNS 255 FM

GTIN 4013364108165, Customs tariff No. (EU): 85363090, Gross weight: 1.40 kg, PU: 1.00 pc(s)

Predecessor

Images

Additional information

Modular DEHNventil M TNS 255 FM combined arrester
Pluggable and modular four-pole combined arrester
for use in 230/400 V TN(C)-S systems, width: 8 mod.
with remote signalling contact
Type 1 + type 2 SPD according to EN 61643-11
RADAX Flow spark gap technology
for follow current limitation
Max. continuous operating voltage: 264 V a.c.
Voltage protection level: <= 1.5 kV
Lightning impulse current (10/350 µs): 100 kA
Follow current extinguishing capability: up to 100 kArms
Energy-coordinated according to IEC 62305-4 with
arresters of the Red/Line series and terminal equipment

Brand: DEHN
Type: DV M TNS 255 FM
Part No.: 951405
or equivalent.

Certificates

 

Technical data

SPD according to EN 61643-11 / IEC 61643-11 type 1 + type 2 / class I + class II
Lightning impulse current (10/350 µs) [L1+L2+L3+N-PE] (Itotal ) 100 kA
Lightning impulse current (10/350 µs) [L, N-PE] (Iimp ) 25 kA
Voltage protection level [L-PE]/[N-PE] (UP ) ≤ 1.5 / ≤ 1.5 kV
Max. backup fuse (L) up to IK = 50 kArms 315 A gG
Approvals KEMA, VDE, UL
Type of remote signalling contact changeover contact
Extended technical data: Use in switchgear installations with prospective short-circuit currents of more than 50 kArms
– Max. prospective short-circuit current 100 kArms (220 kApeak)

Product 951405 was added to Notepad.

Product 951405 was added to the cart.


DEHNventil M TT (FM)

Modular combined lightning current and surge arrester for TT and TN-S systems with a nominal voltage of 230 / 400 V (3+1 configuration); FM version with floating remote signalling contact.

2 Products

Part No. 951310 DV M TT 255

GTIN 4013364108172, Customs tariff No. (EU): 85363090, Gross weight: 1.31 kg, PU: 1.00 pc(s)

Predecessor

Images

Additional information

Modular DEHNventil M TT 255 combined arrester
Pluggable and modular four-pole combined arrester
for use in 230/400 V TT and TN(C)-S systems, width: 8 mod.
Type 1 + type 2 SPD according to EN 61643-11
RADAX Flow spark gap technology
for follow current limitation
Max. continuous operating voltage: 264 V a.c.
Voltage protection level: <= 1.5 kV
Lightning impulse current (10/350 µs): 100 kA
Follow current extinguishing capability: up to 100 kArms
Energy-coordinated according to IEC 62305-4 with
arresters of the Red/Line series and terminal equipment

Brand: DEHN
Type: DV M TT 255
Part No.: 951310
or equivalent.

Certificates

 

Technical data

SPD according to EN 61643-11 / IEC 61643-11 type 1 + type 2 / class I + class II
Lightning impulse current (10/350 µs) [L1+L2+L3+N-PE] (Itotal ) 100 kA
Lightning impulse current (10/350 µs) [L-N]/[N-PE] (Iimp ) 25 / 100 kA
Voltage protection level [L-N]/[N-PE] (UP ) ≤ 1.5 / ≤ 1.5 kV
Max. backup fuse (L) up to IK = 50 kArms 315 A gG
Approvals KEMA, VDE, UL
Extended technical data: Use in switchgear installations with prospective short-circuit currents of more than 50 kArms
– Max. prospective short-circuit current 100 kArms (220 kApeak)
Supplementary data: ---------------------------------
– Voltage protection level [L-PE] (UP ) 2.2 kV

Product 951310 was added to Notepad.

Product 951310 was added to the cart.

Part No. 951315 DV M TT 255 FM

GTIN 4013364108189, Customs tariff No. (EU): 85363090, Gross weight: 1.32 kg, PU: 1.00 pc(s)

Predecessor

Images

Additional information

Modular DEHNventil M TT 255 FM combined arrester
Pluggable and modular four-pole combined arrester
for use in 230/400 V TT and TN(C)-S systems, width: 8 mod.
with remote signalling contact
Type 1 + type 2 SPD according to EN 61643-11
RADAX Flow spark gap technology
for follow current limitation
Max. continuous operating voltage: 264 V a.c.
Voltage protection level: <= 1.5 kV
Lightning impulse current (10/350 µs): 100 kA
Follow current extinguishing capability: up to 100 kArms
Energy-coordinated according to IEC 62305-4 with
arresters of the Red/Line series and terminal equipment

Brand: DEHN
Type: DV M TT 255 FM
Part No.: 951315
or equivalent.

Certificates

 

Technical data

SPD according to EN 61643-11 / IEC 61643-11 type 1 + type 2 / class I + class II
Lightning impulse current (10/350 µs) [L1+L2+L3+N-PE] (Itotal ) 100 kA
Lightning impulse current (10/350 µs) [L-N]/[N-PE] (Iimp ) 25 / 100 kA
Voltage protection level [L-N]/[N-PE] (UP ) ≤ 1.5 / ≤ 1.5 kV
Max. backup fuse (L) up to IK = 50 kArms 315 A gG
Approvals KEMA, VDE, UL
Type of remote signalling contact changeover contact
Extended technical data: Use in switchgear installations with prospective short-circuit currents of more than 50 kArms
– Max. prospective short-circuit current 100 kArms (220 kApeak)
Supplementary data: ---------------------------------
– Voltage protection level [L-PE] (UP ) 2.2 kV

Product 951315 was added to Notepad.

Product 951315 was added to the cart.


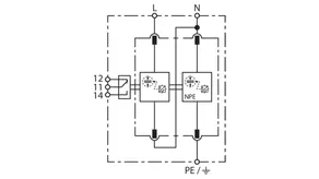
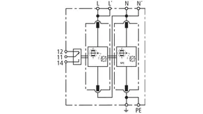
DEHNventil M TN (FM)

Modular combined lightning current and surge arrester for single-phase TN systems with a nominal voltage of 230 V (2+0 configuration); FM version with floating remote signalling contact.

2 Products

Part No. 951200 DV M TN 255

GTIN 4013364108097, Customs tariff No. (EU): 85363090, Gross weight: 754.00 g, PU: 1.00 pc(s)

Predecessor

Images

Additional information

Modular DEHNventil M TN 255 combined arrester
Pluggable and modular two-pole combined arrester
for use in single-phase TN systems, width: 4 mod.
Type 1 + type 2 SPD according to EN 61643-11
RADAX Flow spark gap technology
for follow current limitation
Max. continuous operating voltage: 264 V a.c.
Voltage protection level: <= 1.5 kV
Lightning impulse current (10/350 µs): 50 kA
Follow current extinguishing capability: up to 100 kArms
Energy-coordinated according to IEC 62305-4 with
arresters of the Red/Line series and terminal equipment

Brand: DEHN
Type: DV M TN 255
Part No.: 951200
or equivalent.

Certificates

 

Technical data

SPD according to EN 61643-11 / IEC 61643-11 type 1 + type 2 / class I + class II
Lightning impulse current (10/350 µs) [L+N-PE] (Itotal ) 50 kA
Lightning impulse current (10/350 µs) [L, N-PE] (Iimp ) 25 kA
Voltage protection level [L-PE]/[N-PE] (UP ) ≤ 1.5 / ≤ 1.5 kV
Max. backup fuse (L) up to IK = 50 kArms 315 A gG
Approvals KEMA, VDE, UL
Extended technical data: Use in switchgear installations with prospective short-circuit currents of more than 50 kArms
– Max. prospective short-circuit current 100 kArms (220 kApeak)

Product 951200 was added to Notepad.

Product 951200 was added to the cart.

Part No. 951205 DV M TN 255 FM

GTIN 4013364108103, Customs tariff No. (EU): 85363090, Gross weight: 698.50 g, PU: 1.00 pc(s)

Predecessor

Images

Additional information

Modular DEHNventil M TN 255 FM combined arrester
Pluggable and modular two-pole combined arrester
for use in single-phase TN systems, width: 4 mod.
with remote signalling contact
Type 1 SPD according to EN 61643-11
RADAX Flow spark gap technology
for follow current limitation
Max. continuous operating voltage: 264 V a.c.
Voltage protection level: <= 1.5 kV
Lightning impulse current (10/350 µs): 50 kA
Follow current extinguishing capability: up to 100 kArms
Energy-coordinated according to IEC 62305-4 with
arresters of the Red/Line series and terminal equipment

Brand: DEHN
Type: DV M TN 255 FM
Part No.: 951205
or equivalent.

Certificates

 

Technical data

SPD according to EN 61643-11 / IEC 61643-11 type 1 + type 2 / class I + class II
Lightning impulse current (10/350 µs) [L+N-PE] (Itotal ) 50 kA
Lightning impulse current (10/350 µs) [L, N-PE] (Iimp ) 25 kA
Voltage protection level [L-PE]/[N-PE] (UP ) ≤ 1.5 / ≤ 1.5 kV
Max. backup fuse (L) up to IK = 50 kArms 315 A gG
Approvals KEMA, VDE, UL
Type of remote signalling contact changeover contact
Extended technical data: Use in switchgear installations with prospective short-circuit currents of more than 50 kArms
– Max. prospective short-circuit current 100 kArms (220 kApeak)

Product 951205 was added to Notepad.

Product 951205 was added to the cart.


DEHNventil M TT 2P (FM)

Modular combined lightning current and surge arrester for single-phase TT and TN-S systems with a nominal voltage of 230 V (1+1 configuration); FM version with floating remote signalling contact.

2 Products

Part No. 951110 DV M TT 2P 255

GTIN 4013364108110, Customs tariff No. (EU): 85363090, Gross weight: 688.59 g, PU: 1.00 pc(s)

Predecessor

Images

Additional information

Modular DEHNventil M TT 2P 255 combined arrester
Pluggable and modular two-pole combined arrester
for use in single-phase TT and TN systems, width: 4 mod.
Type 1 + type 2 SPD according to EN 61643-11
RADAX Flow spark gap technology
for follow current limitation
Max. continuous operating voltage: 264 V a.c.
Voltage protection level: <= 1.5 kV
Lightning impulse current (10/350 µs): 50 kA
Follow current extinguishing capability: up to 100 kArms
Energy-coordinated according to IEC 62305-4 with
arresters of the Red/Line series and terminal equipment

Brand: DEHN
Type: DV M TT 2P 255
Part No.: 951110
or equivalent.

Certificates

 

Technical data

SPD according to EN 61643-11 / IEC 61643-11 type 1 + type 2 / class I + class II
Lightning impulse current (10/350 µs) [L+N-PE] (Itotal ) 50 kA
Lightning impulse current (10/350 µs) [L-N]/[N-PE] (Iimp ) 25 / 50 kA
Voltage protection level [L-N]/[N-PE] (UP ) ≤ 1.5 / ≤ 1.5 kV
Max. backup fuse (L) up to IK = 50 kArms 315 A gG
Approvals KEMA, VDE, UL
Extended technical data: Use in switchgear installations with prospective short-circuit currents of more than 50 kArms
– Max. prospective short-circuit current 100 kArms (220 kApeak)
Supplementary data: ---------------------------------
– Voltage protection level [L-PE] (UP ) 2.2 kV

Product 951110 was added to Notepad.

Product 951110 was added to the cart.

Part No. 951115 DV M TT 2P 255 FM

GTIN 4013364108127, Customs tariff No. (EU): 85363090, Gross weight: 694.38 g, PU: 1.00 pc(s)

Predecessor

Images

Additional information

Modular DEHNventil M TT 2P 255 FM combined arrester
Pluggable and modular two-pole combined arrester
for use in single-phase TT and TN systems, width: 4 mod.
with remote signalling contact
Type 1+ type 2 SPD according to EN 61643-11
RADAX Flow spark gap technology
for follow current limitation
Max. continuous operating voltage: 264 V a.c.
Voltage protection level: <= 1.5 kV
Lightning impulse current (10/350 µs): 50 kA
Follow current extinguishing capability: up to 100 kArms
No tripping of 20 A gG fuses up to 50 kArms
Energy-coordinated according to IEC 62305-4 with
arresters of the Red/Line series and terminal equipment

Brand: DEHN
Type: DV M TT 2P 255 FM
Part No.: 951115
or equivalent.

Certificates

 

Technical data

SPD according to EN 61643-11 / IEC 61643-11 type 1 + type 2 / class I + class II
Lightning impulse current (10/350 µs) [L+N-PE] (Itotal ) 50 kA
Lightning impulse current (10/350 µs) [L-N]/[N-PE] (Iimp ) 25 / 50 kA
Voltage protection level [L-N]/[N-PE] (UP ) ≤ 1.5 / ≤ 1.5 kV
Max. backup fuse (L) up to IK = 50 kArms 315 A gG
Approvals KEMA, VDE, UL
Type of remote signalling contact changeover contact
Extended technical data: Use in switchgear installations with prospective short-circuit currents of more than 50 kArms
– Max. prospective short-circuit current 100 kArms (220 kApeak)
Supplementary data: ---------------------------------
– Voltage protection level [L-PE] (UP ) 2.2 kV

Product 951115 was added to Notepad.

Product 951115 was added to the cart.


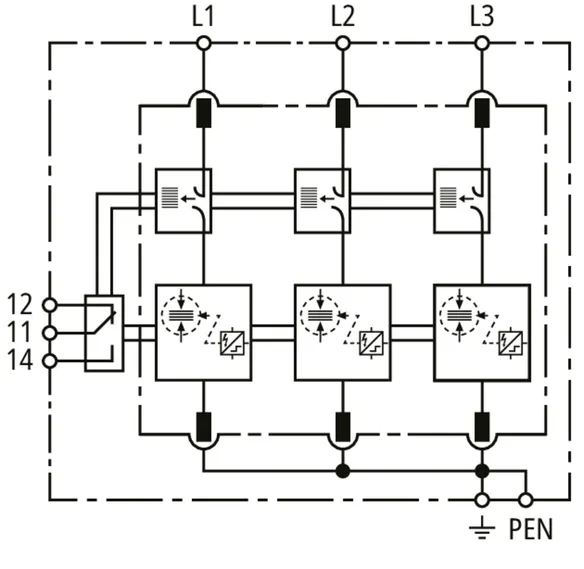
DEHNventil ACI TNC FM

Modular combined arrester with Advanced Circuit Interruption (ACI) for TN-C systems.

Available soon.

1 Product

Part No. 961305 DV ACI M TNC 264 FM

GTIN 4013364513440, Customs tariff No. (EU): 85363090, Gross weight: 2.42 kg, PU: 1.00 pc(s)


Images

Additional information

Modular combined arrester DEHNventil ACI M TNC 264 FM
3-pole, modular, pluggable combined arrester
For 230/400 V TN-C systems with integrated
ACI switch / spark gap, width: 11 standard DIN modules
with remote signalling contact
Type 1 + type 2 + type 3 arrester as per EN 61643-11
RADAX Flow spark gap technology
for follow current limitation
Max. continuous operating voltage: 264 V AC
Voltage protection level: <= 1.5 kV
Lightning impulse current (10/350): 75 kA
Follow current extinguishing capability up to 100 kArms.
Certified to VDE, KEMA
Energy coordination as per IEC 61643-12
Arrester of the Red/Line series
and direct to the terminal equipment

Brand: DEHN
Type: DV ACI M TNC 264 FM
Part No.: 961305
or equivalent.

Certificates

 

Technical data

SPD as per EN 61643-11 / IEC 61643-11 type 1 + type 2 + type 3 / class I + class II + class III
Lightning impulse current (10/350 µs) [L1+L2+L3-PEN] (Itotal ) 75 kA
Lightning impulse current (10/350 µs) [L-PEN] (Iimp ) 25 kA
Voltage protection level (UP ) ≤ 1,5 kV
Extended technical data: Use in switchgear installations with prospective short-circuit currents of more than 50 kArms
– Max. prospective short-circuit current 100 kArms (220 kApeak)

Product 961305 was added to Notepad.

Product 961305 was added to the cart.


DEHNventil ACI TNS FM

Modular combined arrester with Advanced Circuit Interruption (ACI) for TN-S systems.

Available soon.

1 Product

Part No. 961405 DV ACI M TNS 264 FM

GTIN 4013364513365, Customs tariff No. (EU): 85363090, Gross weight: 2.42 kg, PU: 1.00 pc(s)


Images

Additional information

Modular combined arrester DEHNventil ACI M TNS 264 FM
4-pole, modular, pluggable combined arrester
For 230/400 V TN(C)-S systems with integrated
ACI switch / spark gap
width: 11 standard DIN modules
with remote signalling contact
Type 1 + type 2 + type 3 arrester as per EN 61643-11
RADAX Flow spark gap technology
for follow current limitation
Max. continuous operating voltage: 264 V AC
Voltage protection level: <= 1.5 kV
Lightning impulse current (10/350): 100 kA
Follow current extinguishing capability up to 100 kArms.
Certified to VDE, KEMA
Energy coordination as per IEC 61643-12
Arrester of the Red/Line series
and direct to the terminal equipment

Brand: DEHN
Type: DV ACI M TNS 264 FM
Part No.: 961405
or equivalent.

Certificates

 

Technical data

SPD as per EN 61643-11 / IEC 61643-11 type 1 + type 2 + type 3 / class I + class II + class III
Lightning impulse current (10/350 µs) [L1+L2+L3+N-PE] (Itotal ) 100 kA
Lightning impulse current (10/350 µs) [L, N-PE] (Iimp ) 25 kA
Voltage protection level [L-PE]/[N-PE] (UP ) ≤ 1,5 kV
Extended technical data: Use in switchgear installations with prospective short-circuit currents of more than 50 kArms
– Max. prospective short-circuit current 100 kArms (220 kApeak)

Product 961405 was added to Notepad.

Product 961405 was added to the cart.


DEHNventil M2 880 FM

Kit consisting of pluggable lightning and surge arresters, including insulated module wiring bar for use in inverter systems with active anti-PID with maximum DC offset of 750 V DC. Wiring of the earthing systems in accordance with IEC 60364-4-44, Table 44.A1 – RE and Z as well as RE and RA connected.

1 Product

Part No. 961151 DV M2 880 FM

GTIN 4013364532557, Customs tariff No. (EU): 85363090, Gross weight: 1.07 kg, PU: 1.00 pc(s)


Images

Additional information

Modular combined arrester DEHNventil M2 880 FM
3-pole, modular, pluggable combined arrester for
880 V unearthed three-phase systems, width of 8 DIN modules
with remote signalling contact
Type 1 + Type 2 arrester as per EN 61643-11
RAC spark gap technology
for follow current limitation
Max. continuous operating voltage: 880 V AC
Voltage protection level: <= 4 kV
Lightning impulse current (10/350): 12.5 kA
Follow current extinguishing capability up to 50 kArms

Brand: DEHN
Type: DV M2 880 FM
Part No.: 961151
or equivalent.

Certificates

 

Technical data

SPD according to EN 61643-11 / IEC 61643-11 type 1 + type 2 / class I + class II
Lightning impulse current (10/350 µs) [1,2-3] (Iimp ) 12.5 kA
Max. backup fuse (L) up to IK = 50 kArms 160 A gG
Type of remote signalling contact yes / changeover contact
Supplementary data: ---------------------------------
– Anti-PID voltage (U1-3 + UPID ) 508 VAC + 750 VDC – withstand

Product 961151 was added to Notepad.

Product 961151 was added to the cart.


back to top