DEHNpatch – Arrester for Data Networks and Ethernet Applications
:quality(98)/www.dehn.nl/store/f/63199520/HDVORSCHAU/929161a1_16-9.jpg)
:quality(98)/www.dehn.nl/store/f/63199520/HDVORSCHAU/929161a1_16-9.jpg)
- Surge protection for Ethernet infrastructure
- up to 10 Gbit/s (to Class EA / 500 MHz)
- Patch cable with surge protection CAT 6A in the channel
- IP66 variant for outdoor applications
- Power over Ethernet IEEE 802.3 compliant (up to PoE++ / 4PPoE)
- Retrofit at any time
Details
:quality(98)/www.dehn.nl/store/f/63199523/HDVORSCHAU/929100_Kat.jpg)
:quality(98)/www.dehn.nl/store/f/63199523/HDVORSCHAU/929100_Kat.jpg)
:quality(98)/www.dehn.nl/store/f/63199521/HDVORSCHAU/929161_Kat1.jpg)
:quality(98)/www.dehn.nl/store/f/63199521/HDVORSCHAU/929161_Kat1.jpg)
:quality(98)/www.dehn.nl/store/f/63199524/HDVORSCHAU/929221a1.jpg)
:quality(98)/www.dehn.nl/store/f/63199524/HDVORSCHAU/929221a1.jpg)
:quality(98)/www.dehn.nl/store/f/63199522/HDVORSCHAU/929161_Kat2.jpg)
:quality(98)/www.dehn.nl/store/f/63199522/HDVORSCHAU/929161_Kat2.jpg)
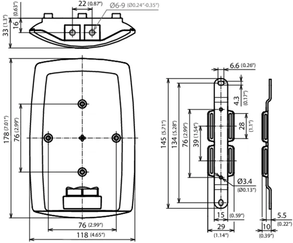
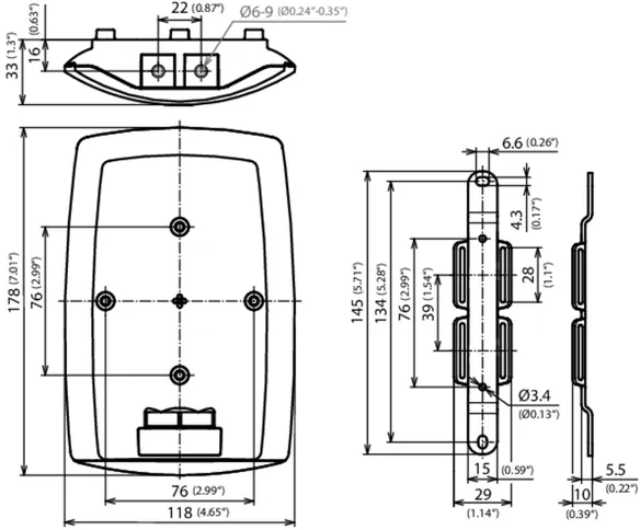
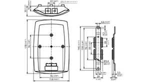
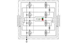
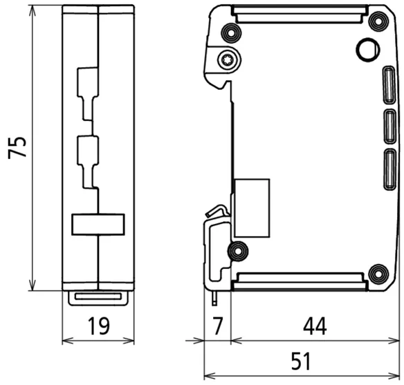
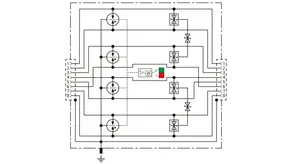
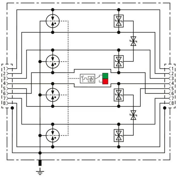
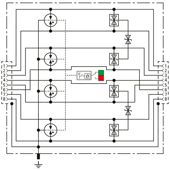
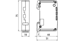
DPA CLE IP66
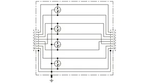
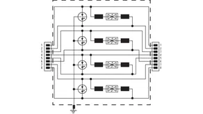
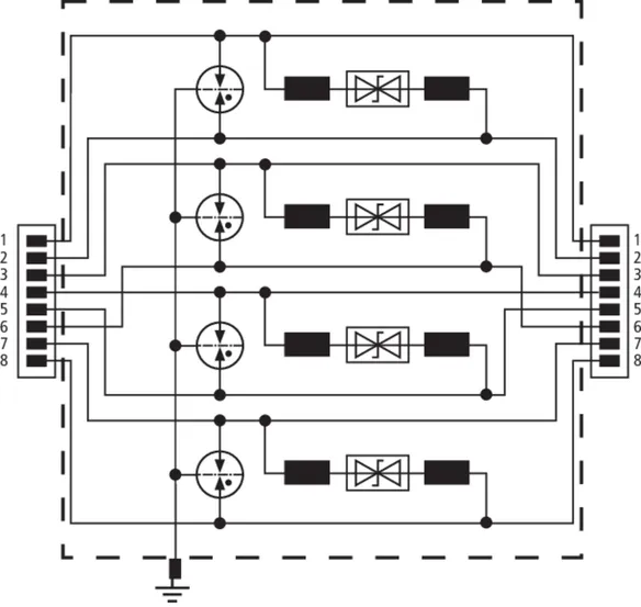
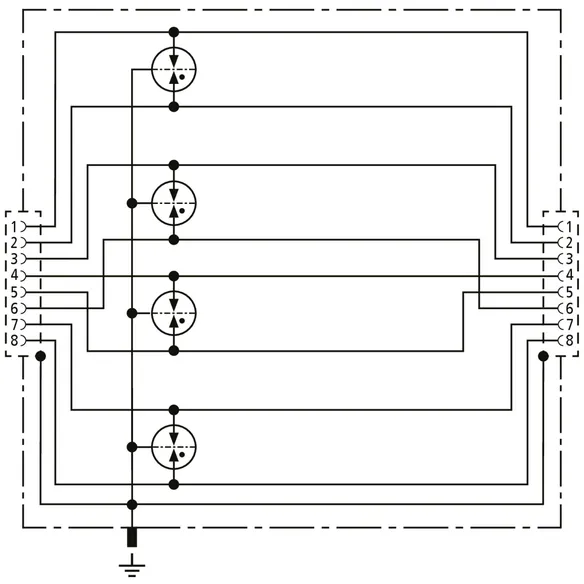
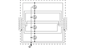
Universal surge arrester for GBit Ethernet applications, Power over Ethernet (IEEE 802.3 compliant up to PoE++ / 4PPoE) and similar applications in structured cabling systems up to class E in indoor and outdoor areas in an IP66 rated enclosure impervious to dust and water. Protection of all pairs with gas discharge tubes and one adapted filter matrix for each pair. Fully shielded surge protective solution with RJ 45 sockets. Universal mounting bracket for pole and wall mounting.
External accessories: Tensioning straps for pole mounting
1 Product
Part No. 929221 DPA CLE IP66
GTIN 4013364342866, Customs tariff No. (EU): 85363010, Gross weight: 745.00 g, PU: 1.00 pc(s)
Technical data
SPD class | T |
Max. continuous operating voltage (d.c.) pair-pair (PoE) (Uc ) | 60 V |
Nominal current (IL ) | 1 A |
D1 Lightning impulse current (10/350 µs) per line (Iimp ) | 0.8 kA |
D1 Total lightning impulse current (10/350 µs) (Iimp ) | 4 kA |
C2 Total nominal discharge current (8/20 µs) (In ) | 10 kA |
Cut-off frequency (fG ) | 250 MHz |
Degree of protection (with installed cables) | IP 66 |
Connection (input / output) | RJ45 socket / RJ45 socket |
Approvals | UL 497B, CSA |
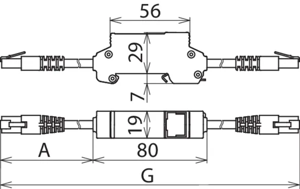
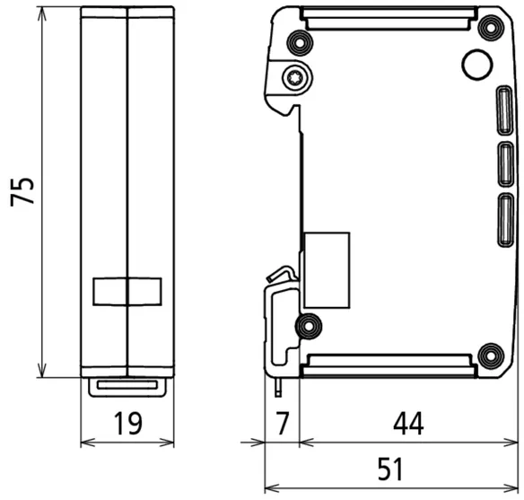
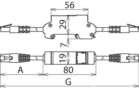
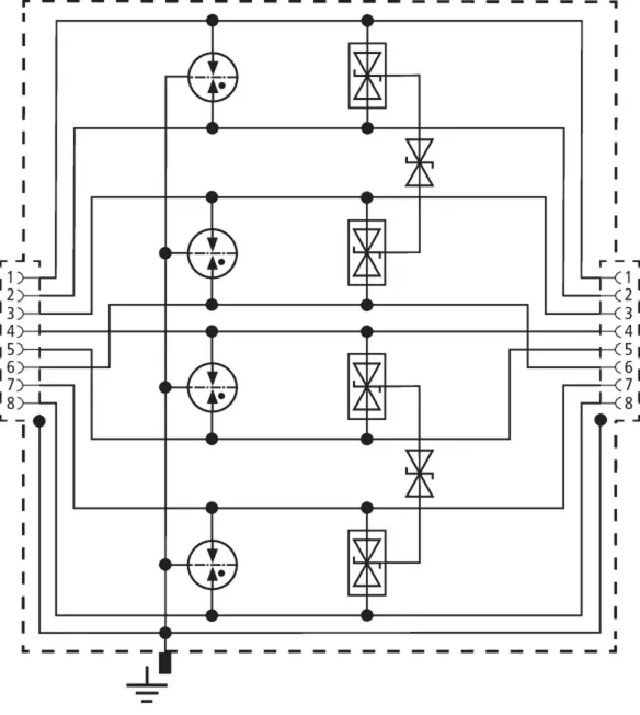
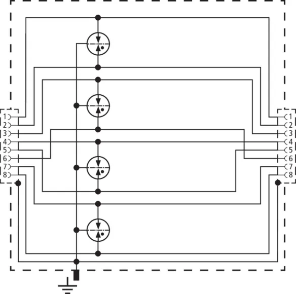
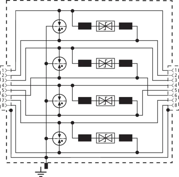
DPA M CAT6
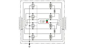
Universal arrester for Industrial Ethernet, Power over Ethernet (IEEE 802.3 compliant up to PoE++ / 4PPoE) and similar applications in structured cabling systems according to Cat. 6 and class EA up to 500 MHz. Fully shielded type with patch cable for DIN rail mounting (up to 10 Gbit Ethernet).
1 Product
Part No. 929100 DPA M CAT6 RJ45S 48
GTIN 4013364102170, Customs tariff No. (EU): 85363010, Gross weight: 244.00 g, PU: 1.00 pc(s)
PredecessorTechnical data
SPD class | T |
Max. continuous operating voltage (d.c.) (Uc ) | 48 V |
Max. continuous operating voltage (d.c.) pair-pair (PoE) (Uc ) | 57 V |
Nominal current (IL ) | 1 A |
D1 Lightning impulse current (10/350 µs) per line (Iimp ) | 1 kA |
C2 Total nominal discharge current (8/20 µs) (In ) | 10 kA |
Cut-off frequency (fG ) | 250 MHz |
Connection (input / output) | RJ45 connecting line / RJ45 connecting line |
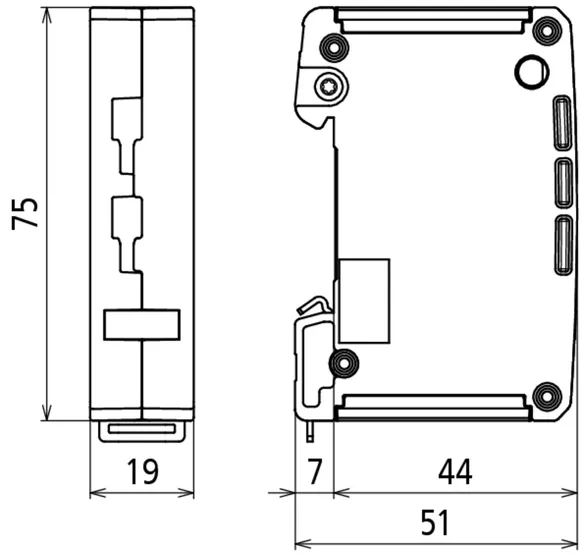
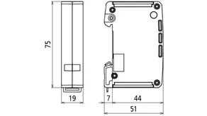
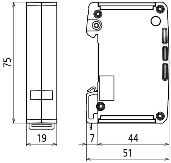
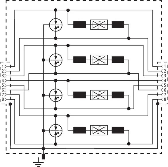
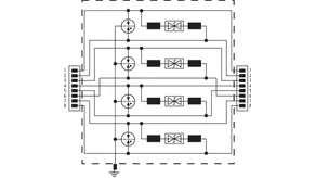
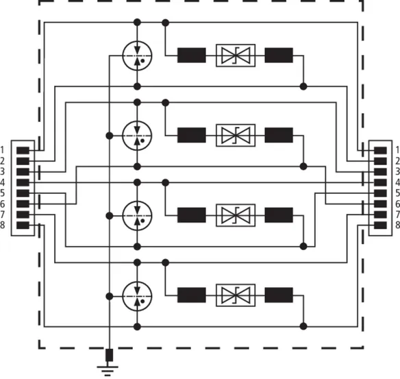
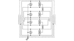
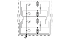
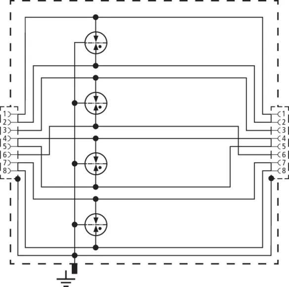
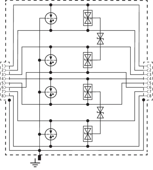
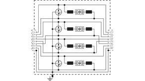
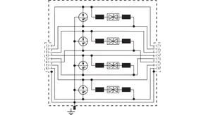
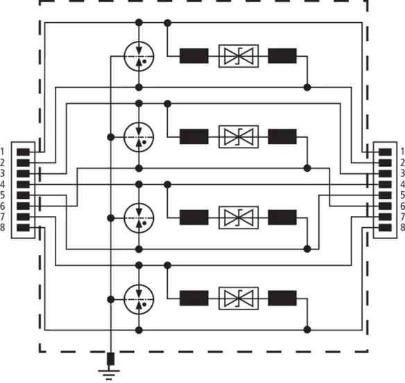
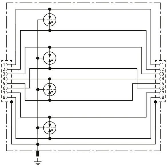
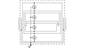
DEHNpatch class EA (new)
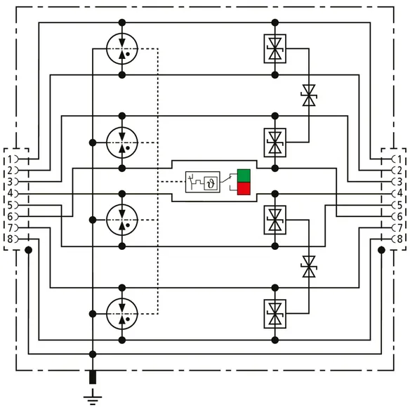
Universal, space-saving combined arrester of 19 mm in width and RJ45 connection system with status indication for simple maintenance. Protection of applications in structured cabling according to class EA to 500 MHz; e.g. industrial Ethernet, data distributors, digital camera systems, Power over Ethernet (IEEE 802.3 compliant to 4PPoE) and Ethernet-based interfaces in general. Protection of all pairs through powerful gas discharge tubes and protective diodes between signal cores and pairs. Fully shielded adapter design with RJ45 sockets for DIN rail mounting. With additional screw connection on the enclosure for an optional earth connection.
1 Product
Part No. 929161 DPA CL8 EA 4PPOE
GTIN 4013364472921, Customs tariff No. (EU): 85363010, Gross weight: 188.70 g, PU: 1.00 pc(s)
Technical data
SPD class | L |
Max. continuous operating voltage (d.c.) (Uc ) | 3.3 V |
Max. continuous operating voltage (d.c.) pair-pair (PoE) (Uc ) | 58 V |
Nominal current (IL ) | 1.5 A |
D1 Lightning impulse current (10/350 µs) per line (Iimp ) | 0.5 kA |
C2 Total nominal discharge current (8/20 µs) (In ) | 10 kA |
Cut-off frequency (fG ) | 500 MHz |
Connection (input / output) | RJ45 socket / RJ45 socket |
Approvals | GHMT, UL 497B |
DEHNpatch Class E
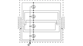
Universal arrester for Industrial Ethernet, Power over Ethernet (IEEE 802.3 compliant up to PoE++ / 4PPoE) and similar applications in structured cabling systems according to class E up to 250 MHz. Protection of all pairs by means of powerful gas discharge tubes and one adapted filter matrix per pair. Fully shielded type with sockets for DIN rail mounting (up to 1 Gbit Ethernet).
1 Product
Part No. 929121 DPA M CLE RJ45B 48
GTIN 4013364118935, Customs tariff No. (EU): 85363010, Gross weight: 122.00 g, PU: 1.00 pc(s)
PredecessorTechnical data
SPD class | T |
Max. continuous operating voltage (d.c.) (Uc ) | 48 V |
Max. continuous operating voltage (d.c.) pair-pair (PoE) (Uc ) | 57 V |
Nominal current (IL ) | 1 A |
D1 Lightning impulse current (10/350 µs) per line (Iimp ) | 0.5 kA |
C2 Total nominal discharge current (8/20 µs) (In ) | 10 kA |
Cut-off frequency (fG ) | 250 MHz |
Connection (input / output) | RJ45 socket / RJ45 socket |
Approvals | CSA, UL 497B |
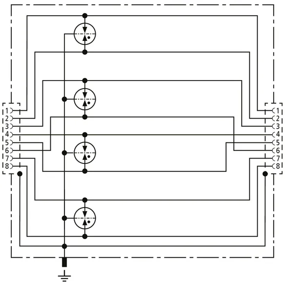
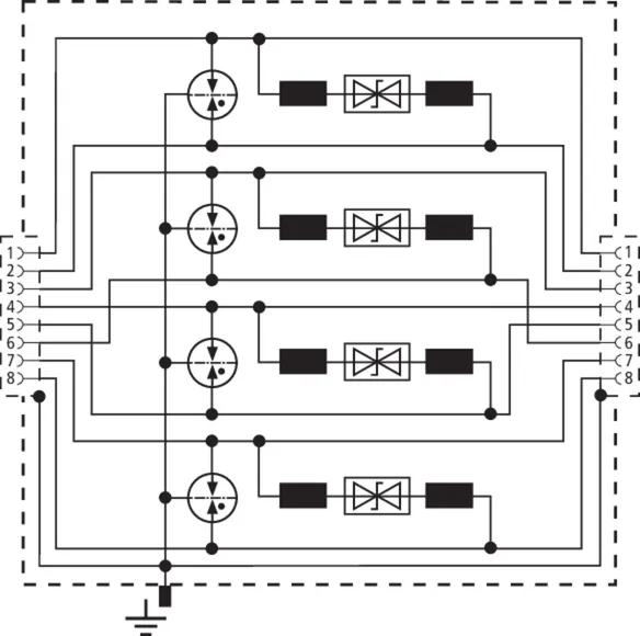
DEHNpatch Class D (new)
Universal, space-saving lightning current arrester of 19 mm in width and RJ45 connection system for lightning equipotential bonding. Protection of applications in structured cabling according to class S to 100 MHz; e.g. industrial Ethernet, data distributors, digital camera systems, Power over Ethernet (IEEE 802.3 compliant to 4PPoE) and Ethernet-based interfaces in general. Protection of all pairs through powerful gas discharge tubes. Fully shielded adapter design with RJ45 sockets for DIN rail mounting. With additional screw connection on the enclosure for an optional earth connection.
1 Product
Part No. 929166 DPA C8 D 4PPOE
GTIN 4013364472914, Customs tariff No. (EU): 85363010, Gross weight: 178.25 g, PU: 1.00 pc(s)
Technical data
SPD class | A |
Max. continuous operating voltage (d.c.) (Uc ) | 3.3 V |
Max. continuous operating voltage (d.c.) pair-pair (PoE) (Uc ) | 58 V |
Nominal current (IL ) | 1.5 A |
D1 Lightning impulse current (10/350 µs) per line (Iimp ) | 0.5 kA |
C2 Total nominal discharge current (8/20 µs) (In ) | 10 kA |
Cut-off frequency (fG ) | 100 MHz |
Connection (input / output) | RJ45 socket / RJ45 socket |
Approvals | UL 497B |
DEHNpatch Class D
Universal arrester for Industrial Ethernet, Power over Ethernet (IEEE 802.3 compliant up to PoE++ / 4PPoE) and similar applications in structured cabling systems according to class D up to 100 MHz. Protection of all pairs by powerful gas discharge tubes. DIN rail mounted adapter type with sockets.
1 Product
Part No. 929126 DPA M CLD RJ45B 48
GTIN 4013364242258, Customs tariff No. (EU): 85363010, Gross weight: 102.00 g, PU: 1.00 pc(s)
Technical data
SPD class | U |
Max. continuous operating voltage (d.c.) (Uc ) | 48 V |
Max. continuous operating voltage (d.c.) pair-pair (PoE) (Uc ) | 57 V |
Nominal current (IL ) | 1 A |
D1 Lightning impulse current (10/350 µs) per line (Iimp ) | 0.5 kA |
C2 Total nominal discharge current (8/20 µs) (In ) | 10 kA |
Cut-off frequency (fG ) | 100 MHz |
Connection (input / output) | RJ45 socket / RJ45 socket |
Approvals | UL 497B |