Water-Pressure-Tight Wall Bushings for White Tank

In current structural engineering practice, a building with a basement is often designed in the form of a "white tank". No additional sealing layer is required for the white tank, because the floor slab and outer walls are formed as an enclosed tank made of concrete with high resistance to water penetration as per DIN EN 206-1 and DIN 1045-2. This concrete is referred to as waterproof concrete.

Since the earth electrode material will be covered with a concrete layer of at least 5 cm (corrosion protection measure), humidity is no longer anticipated in the routing area, meaning the concrete acts as insulation. For this reason, an earth electrode must be routed outside for buildings with a white tank. In new constructions, this earth electrode is usually set up in the blinding layer below the foundation slab.
The effects of the modified recipe for waterproof concrete are described in the current standard DIN 18014:2007-09 "Foundation earth electrode – General planning criteria".
The ring earth electrode meshes under the foundation plates installed according to DIN 18014 have to be connected with the main earthing busbar (MEB) of the interior of the building for equipotential bonding.

The electrical connection to the ring earth electrode must also be waterproof. When developing the waterproof wall bushing, DEHN also applied the requirements placed on "white tanks" onto the product. As a result, during the development process, special emphasis was placed on incorporating component requirements as realistically as possible. Accordingly, the specimens were embedded in concrete (Figure 1) and then subjected to a pressure water test. In normal structural engineering practice, installation stations down to a depth of 10 m are common (e.g. underground car parks). This installation situation was applied to the test specimens, and they were charged with a water pressure of 1 bar (Figure 2). After the curing process of the concrete used, the test specimens were tested with water pressure and checked for watertightness by means of a long-time test (65 hours).
The capillary effect represents an increased level of difficulty for bushings. This means that liquids (e.g. water) disperse in narrow gaps or pipes to different extents and are literally drawn or sucked into the interior of the building. These narrow gaps or ducts can occur during the curing process and the resulting shrinkage of concrete.
It is therefore also important during the installation of the wall bushing in the formwork to work correctly and competently, as described in detail in the corresponding installation instructions.

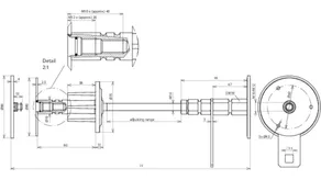
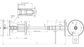
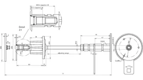
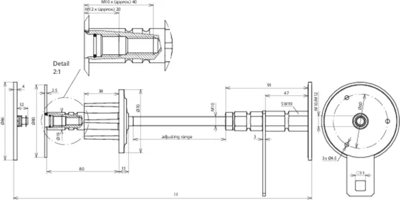
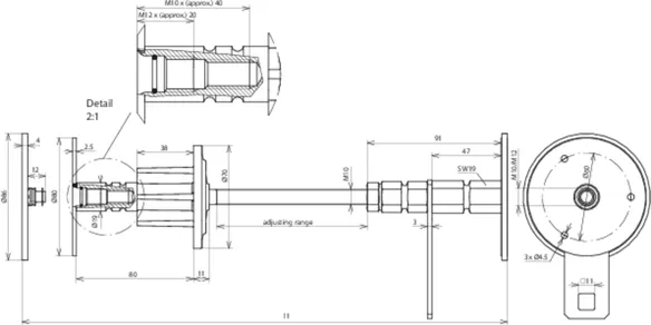
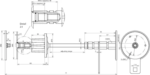
– Design for the formwork installation with water barrier and M10 / M12 double thread for connection; e.g. to the equipotential bonding bar
– Adjustable according to wall thickness with M10 thread and lock nut
– Bushing thread may be cut to length if necessary
– Including connector (St/tZn dim.: 30x4 mm) with square hole for connection with clamping piece for round conductors or cross unit with flat strips

3 Products

Part No. 478530 WD M10 12 V4A DWD L200 300 STTZN

GTIN 4013364120341, Customs tariff No. (EU): 85359000, Gross weight: 697.00 g, PU: 10.00 pc(s)


Images

Additional information

Water-pressure-tight wall bushing for white tanks, StSt (V4A)
Waterproof wall bushing for white tanks
Water-pressure-tight wall bushing, e.g. for connecting
the ring earth electrode with the equipotential bonding bar
or the equipotential bonding conductor in the foundation.
Material of plate: StSt (V4A)
Material No.: 1.4571 / 1.4404 / 1.4401
Material of axis: St/tZn
Wall thickness : 200-300 mm
Connection thread: M10 / 12
Standard: EN 62561-(1+5)

Brand: DEHN
Type: WD M10 12 V4A DWD L200 300 STTZN
Part No.: 478530
or equivalent.

Certificates

 

Technical data

Material of plate StSt (V4A)
Material No. 1.4571 / 1.4404 / 1.4401
Material of axis St/tZn
Wall thickness (l1) 200-300 mm
Connection thread M10 / 12
Connection plate Ø 80 mm
Standard EN 62561-(1+5)

Product 478530 was added to Notepad.

Product 478530 was added to the cart.

Part No. 478540 WD M10 12 V4A DWD L300 400 STTZN

GTIN 4013364120358, Customs tariff No. (EU): 85359000, Gross weight: 750.00 g, PU: 4.00 pc(s)


Images

Additional information

Water-pressure-tight wall bushing for white tanks, StSt (V4A)
Waterproof wall bushing for white tanks
Water-pressure-tight wall bushing, e.g. for connecting
the ring earth electrode with the equipotential bonding bar
or the equipotential bonding conductor in the foundation.

Material of plate: StSt (V4A)
Material No.: 1.4571 / 1.4404 / 1.4401
Material of axis: St/tZn
Wall thickness : 300-400 mm
Connection thread: M10 / 12
Standard: EN 62561-(1+5)

Brand: DEHN
Type: WD M10 12 V4A DWD L300 400 STTZN
Part No.: 478540
or equivalent.

Certificates

 

Technical data

Material of plate StSt (V4A)
Material No. 1.4571 / 1.4404 / 1.4401
Material of axis St/tZn
Wall thickness (l1) 300-400 mm
Connection thread M10 / 12
Connection plate Ø 80 mm
Standard EN 62561-(1+5)

Product 478540 was added to Notepad.

Product 478540 was added to the cart.

Part No. 478550 WD M10 12 V4A DWD L400 500 STTZN

GTIN 4013364120365, Customs tariff No. (EU): 85359000, Gross weight: 838.50 g, PU: 4.00 pc(s)


Images

Additional information

Water-pressure-tight wall bushing for white tanks, StSt (V4A)
Waterproof wall bushing for white tanks
Water-pressure-tight wall bushing, e.g. for connecting
the ring earth electrode with the equipotential bonding bar
or the equipotential bonding conductor in the foundation.
Material of plate: StSt (V4A)
Material No.: 1.4571 / 1.4404 / 1.4401
Material of axis: St/tZn
Wall thickness : 400-500 mm
Connection thread: M10 / 12
Standard: EN 62561-(1+5)

Brand: DEHN
Type: WD M10 12 V4A DWD L400 500 STTZN
Part No.: 478550
or equivalent.

Certificates

 

Technical data

Material of plate StSt (V4A)
Material No. 1.4571 / 1.4404 / 1.4401
Material of axis St/tZn
Wall thickness (l1) 400-500 mm
Connection thread M10 / 12
Connection plate Ø 80 mm
Standard EN 62561-(1+5)

Product 478550 was added to Notepad.

Product 478550 was added to the cart.


back to top