Air-termination mast for HVI light plus Conductor on flat roofs

Complete kit, consisting of air-termination tip/rod, supporting tube, fixing kit (including connection plate, plastic holders, cable ties and EB connection element) and stand.
Adjustable to roof inclination up to max. 10°.
Concrete bases (weight 17 kg) and plastic base plates have to be ordered separately.

Air-termination mast with small tripod and air-termination tip

2 Products

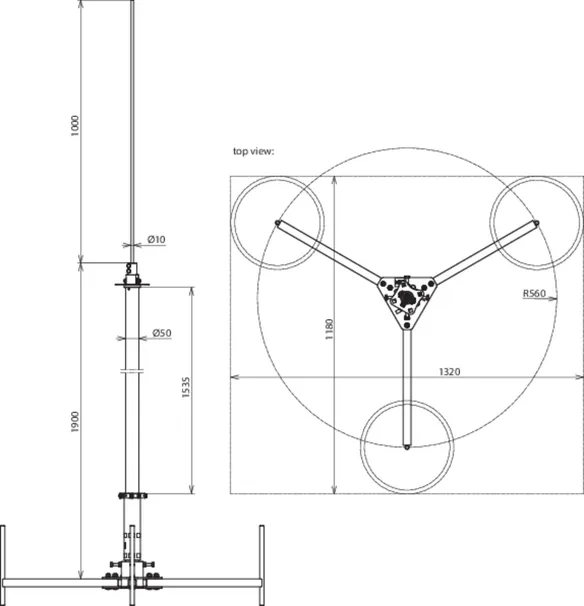
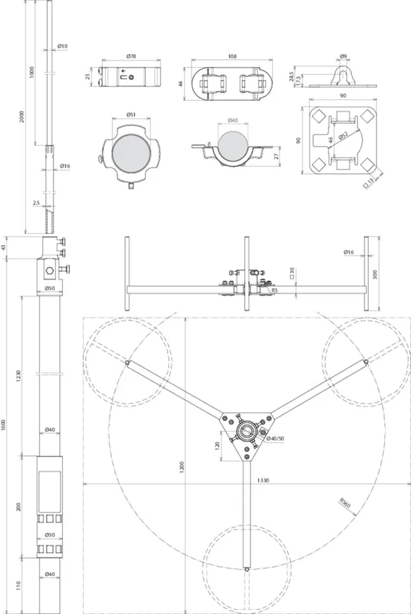
Part No. 819685 FM D40 L2200 GFK AL V2A DBS R320 STTZN

GTIN 4013364494459, Customs tariff No. (EU): 85389099, Gross weight: 6.34 kg, PU: 1.00 pc(s)


Images

Additional information

Air-termination masts for HVI light plus Conductor on flat roofs
Complete with 4x connection plate for the
HVI light plus Conductor and fixing kit for installing
the conductor on the air-termination mast.
For keeping the separation distance to electrically
conductive parts according to DIN EN 62305-3 (VDE 0185-305-3)
Insulating clearance made of glass-fibre reinforced plastic (GRP)
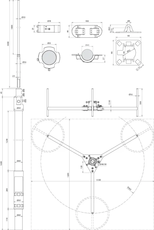
Tube: Ø40 mm
Material factor km = 0.7
Light grey colour, UV-stabilised
Air-termination masts dimensioned to
Eurocode 1 (DIN EN 1991-1-4 + DIN EN 1991-1-4/NA).
Adjustable to roof inclinations up to max. 10 degrees
Air-termination mast for HVI light plus Conductor
Total height: 2200 mm
The stackable concrete base (part no. 102 010) and the
plastic base plate (part no. 102 050) have to be ordered separately
Material of tripod: St/tZn
Radius of tripod: 320 mm
Material of supporting tube: GRP / Al
Length of supporting tube: 1600 mm
Insulating clearance: 1230 mm
Length of air-termination tip: 500 mm
Material of air-termination tip: StSt
Standard: DIN IEC/TS 62561-8 (VDE V 0185-561-8)

Brand: DEHN
Type: FM D40 L2200 GFK AL V2A DBS R320 STTZN
Part No.: 819685
or equivalent.

Certificates

 

Technical data

Height 2200 mm
Material of tripod St/tZn
Radius of tripod 320 mm
Material of supporting tube GRP / Al
Length of supporting tube 1600 mm
Length of air-termination tip 500 mm
Material of air-termination tip StSt
Standard DIN IEC/TS 62561-8 (VDE V 0185-561-8)

Product 819685 was added to Notepad.

Product 819685 was added to the cart.

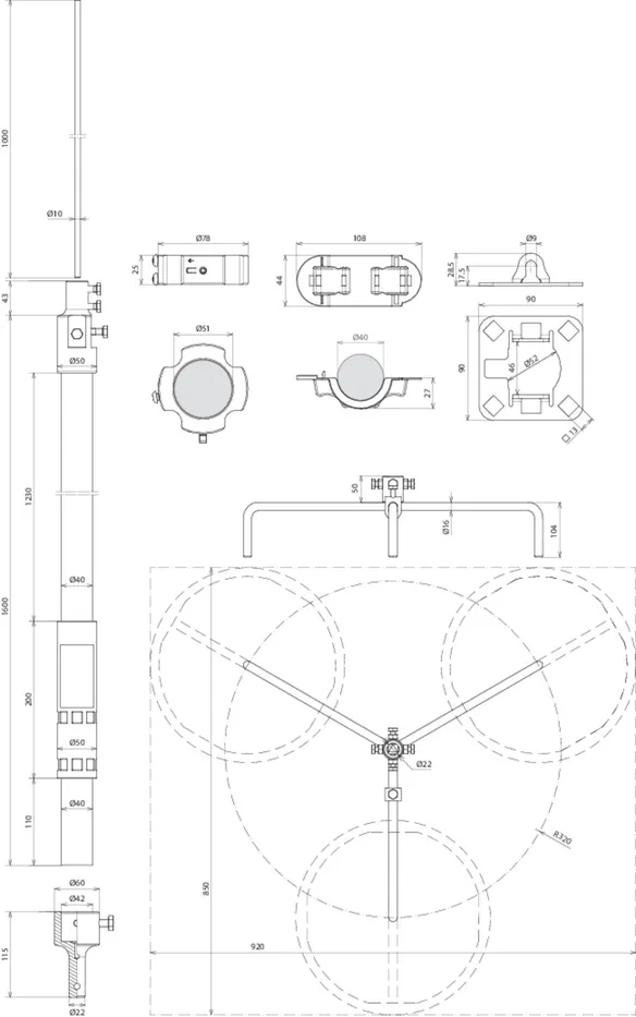
Part No. 819690 FM D40 L2700 GFK AL V2A DBS R320 STTZN

GTIN 4013364494466, Customs tariff No. (EU): 85389099, Gross weight: 6.61 kg, PU: 1.00 pc(s)


Images

Additional information

Air-termination masts for HVI light plus Conductor on flat roofs
Complete with 4x connection plate for the
HVI light plus Conductor and fixing kit for installing
the conductor on the air-termination mast.
For keeping the separation distance to electrically
conductive parts according to DIN EN 62305-3 (VDE 0185-305-3)
Insulating clearance made of glass-fibre reinforced plastic (GRP)
Tube: Ø40 mm
Material factor km = 0.7
Light grey colour, UV-stabilised
Air-termination masts dimensioned to
Eurocode 1 (DIN EN 1991-1-4 + DIN EN 1991-1-4/NA).
Adjustable to roof inclinations up to max. 10 degrees
Air-termination mast for HVI light plus Conductor
Total height: 2700 mm
The stackable concrete base (part no. 102 010) and the
plastic base plate (part no. 102 050) have to be ordered separately.
Material of tripod: HDG steel (St/tZn)
Radius of tripod: 320 mm
Material of supporting tube: GRP / Al
Length of supporting tube: 1600 mm
Insulating clearance: 1230 mm
Length of air-termination tip: 1000 mm
Material of air-termination tip: StSt
Standard: DIN IEC/TS 62561-8 (VDE V 0185-561-8)

Brand: DEHN
Type: FM D40 L2700 GFK AL V2A DBS R320 STTZN
Part No.: 819690
or equivalent.

Certificates

 

Technical data

Height 2700 mm
Material of tripod HDG steel (St/tZn)
Radius of tripod 320 mm
Material of supporting tube GRP / Al
Length of supporting tube 1600 mm
Length of air-termination tip 1000 mm
Material of air-termination tip StSt
Standard DIN IEC/TS 62561-8 (VDE V 0185-561-8)

Product 819690 was added to Notepad.

Product 819690 was added to the cart.


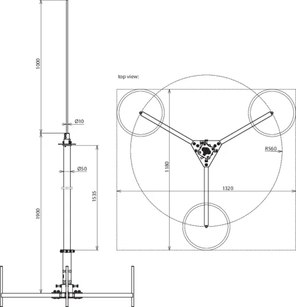
Air-termination mast with large tripod and air-termination tip

1 Product

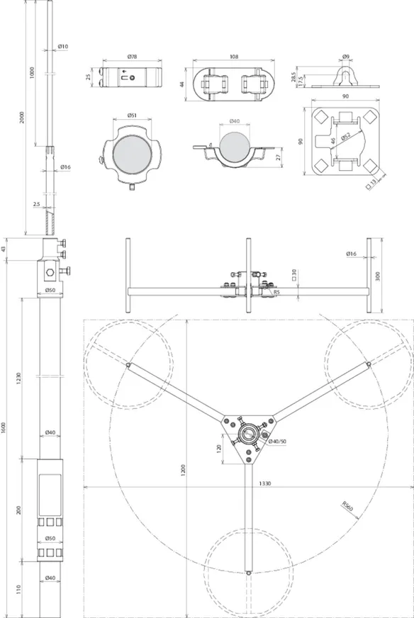
Part No. 819682 FM D40 L2700 GFK AL V2A DBS R560 HVI60

GTIN 4013364494428, Customs tariff No. (EU): 85389099, Gross weight: 12.86 kg, PU: 1.00 pc(s)


Images

Additional information

Air-termination masts for HVI light plus Conductor on flat roofs
Complete with 4x connection plate for the
HVI light Conductor and fixing kit for installing
the conductor on the air-termination mast.
For keeping the separation distance to electrically
conductive parts according to DIN EN 62305-3 (VDE 0185-305-3)
Insulating clearance made of glass-fibre reinforced plastic (GRP)
Tube: Ø40 mm
Material factor km = 0.7
Light grey colour, UV-stabilised
The air-termination masts are dimensioned to
Eurocode 1 (DIN EN 1991-1-4 + DIN EN 1991-1-4/NA) for a
max. gust wind speed of 200 km/h.
Adjustable to roof inclinations up to max. 10 degrees
Air-termination mast for HVI light plus Conductor
Total height: 2700 mm
The stackable concrete base (part no. 102 010) and the
plastic base plate (part no. 102 050) have to be ordered separately.
Material of tripod: St/tZn
Radius of tripod: 560 mm
Material of supporting tube: GRP / Al
Length of supporting tube: 1600 mm
Insulating clearance: 1230 mm
Length of air-termination tip: 1000 mm
Material of air-termination tip: StSt
Standard: DIN IEC/TS 62561-8 (VDE V 0185-561-8)

Brand: DEHN
Type: FM D40 L2700 GFK AL V2A DBS R560 HVI60
Part No.: 819682
or equivalent.

Certificates

 

Technical data

Height 2700 mm
Material of tripod St/tZn
Radius of tripod 560 mm
Material of supporting tube GRP / Al
Length of supporting tube 1600 mm
Length of air-termination tip 1000 mm
Material of air-termination tip StSt
Standard DIN IEC/TS 62561-8 (VDE V 0185-561-8)

Product 819682 was added to Notepad.

Product 819682 was added to the cart.


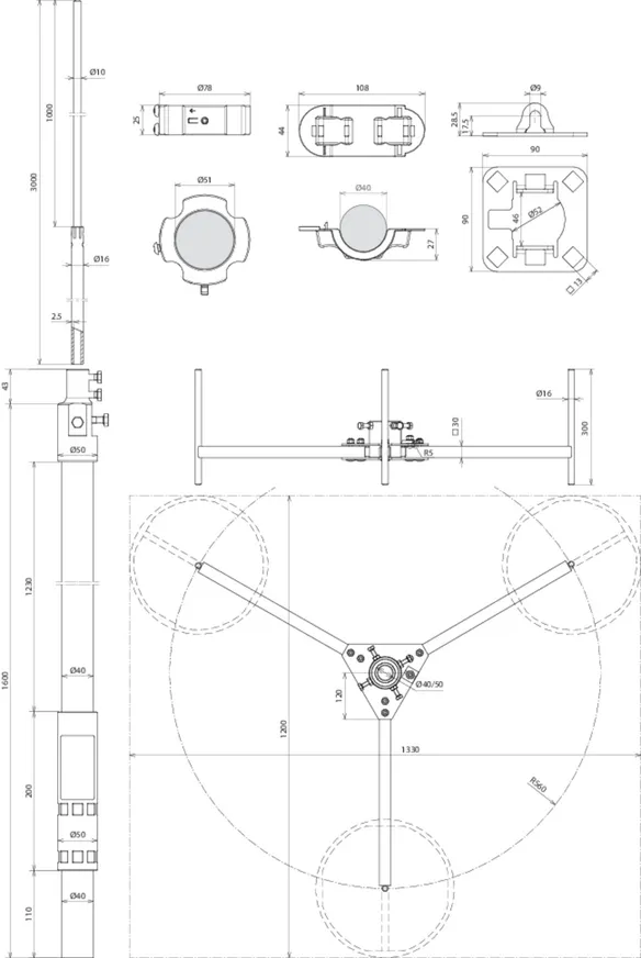
Air-termination mast with large tripod and air-termination rod

2 Products

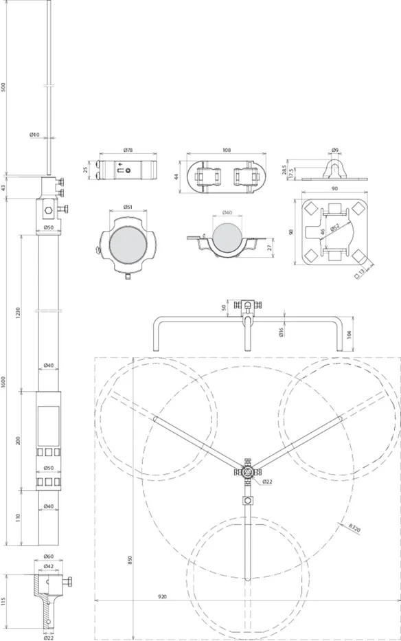
Part No. 819687 FM D40 L3700 GFK AL AL DBS R560 HVI60

GTIN 4013364494435, Customs tariff No. (EU): 85389099, Gross weight: 13.02 kg, PU: 1.00 pc(s)


Images

Additional information

Air-termination masts for HVI light plus Conductor on flat roofs
Complete with 4x connection plate for the
HVI light plus Conductor and fixing kit for installing
the conductor on the air-termination mast.
For keeping the separation distance to electrically
conductive parts according to DIN EN 62305-3 (VDE 0185-305-3)
Insulating clearance made of glass-fibre reinforced plastic (GRP)
Tube: Ø40 mm
Material factor km = 0.7
Light grey colour, UV-stabilised
The air-termination masts are dimensioned to
Eurocode 1 (DIN EN 1991-1-4 + DIN EN 1991-1-4/NA) for a
max. gust wind speed of 159 km/h.
Adjustable to roof inclinations up to max. 10 degrees
Air-termination mast 40 for HVI light plus Conductor
Total height: 3700 mm
The stackable concrete base (Part No. 102 010) and the
plastic base plate (Part No. 102 050) must be ordered separately.
Material of tripod: HDG steel (St/tZn)
Radius of tripod: 560 mm
Material of supporting tube: GRP / Al
Length of supporting tube: 1600 mm
Insulating clearance: 1230 mm
Length of air-termination rod: 2000 mm
Material of air-termination rod: AlMgSi
Standard: DIN IEC/TS 62561-8 (VDE V 0185-561-8)

Brand: DEHN
Type: FM D40 L3700 GFK AL AL DBS R560 HVI60
Part No.: 819687
or equivalent.

Certificates

 

Technical data

Height 3700 mm
Material of tripod HDG steel (St/tZn)
Radius of tripod 560 mm
Material of supporting tube GRP / Al
Length of supporting tube 1600 mm
Length of air-termination rod 2000 mm
Material of air-termination rod AlMgSi
Standard DIN IEC/TS 62561-8 (VDE V 0185-561-8)

Product 819687 was added to Notepad.

Product 819687 was added to the cart.

Part No. 819680 FM D40 L4700 GFK AL DBS R560 STTZN

GTIN 4013364494442, Customs tariff No. (EU): 85389099, Gross weight: 13.06 kg, PU: 1.00 pc(s)


Images

Additional information

Air-termination masts for HVI light plus Conductor on flat roofs
Complete with 4x connection plate for the
HVI light plus Conductor and fixing kit for installing
the conductor on the air-termination mast.
For keeping the separation distance to electrically
conductive parts according to DIN EN 62305-3 (VDE 0185-305-3)
Insulating clearance made of glass-fibre reinforced plastic (GRP)
Tube: Ø40 mm
Material factor km = 0.7
Light grey colour, UV-stabilised
The air-termination masts are dimensioned to
Eurocode 1 (DIN EN 1991-1-4 + DIN EN 1991-1-4/NA) for a
max. gust wind speed of 99 km/h.
Adjustable to roof inclinations up to max. 10 degrees
Air-termination mast 40 for HVI light plus Conductor
Total height: 4700 mm
The stackable concrete base (part no. 102 010) and the
plastic base plate (part no. 102 050) have to be ordered separately.
Material of tripod: HDG steel (St/tZn)
Radius of tripod: 560 mm
Material of supporting tube: GRP / Al
Length of supporting tube: 1600 mm
Insulating clearance: 1230 mm
Length of air-termination rod: 3000 mm
Material of air-termination rod: AlMgSi
Standard: DIN IEC/TS 62561-8 (VDE V 0185-561-8)

Brand: DEHN
Type: FM D40 L4700 GFK AL DBS R560 STTZN
Part No.: 819680
or equivalent.

Certificates

 

Technical data

Height 4700 mm
Material of tripod HDG steel (St/tZn)
Radius of tripod 560 mm
Material of supporting tube GRP / Al
Length of supporting tube 1600 mm
Length of air-termination rod 3000 mm
Material of air-termination rod AlMgSi
Standard DIN IEC/TS 62561-8 (VDE V 0185-561-8)

Product 819680 was added to Notepad.

Product 819680 was added to the cart.


back to top